WGK_img_01psd.png
Wetterschutzgitter Variante WGK

Wetterschutzgitter aus Aluminium-Profil, eloxiert

WGK_img_02psd.png
Feldlamellen

Feldlamellen

WGK_img_03psd.png
Untere Abschlusslamelle

Untere Abschlusslamelle

WGK_img_01psd.png
WGK_img_02psd.png
WGK_img_03psd.png
Online erhältlich - jetzt konfigurieren

WGK  

Mit kleiner Lamellenteilung

Wetterschutzgitter zum Schutz lufttechnischer Anlagen vor direkt durch Außenluft- und Fortluftöffnungen eindringendem Regen sowie vor Laub und Vögeln.

  • Maximale Breite 1997 mm, maximale Höhe 1997 mm
  • Geringe Druckdifferenz durch strömungsgünstig geformte Lamellen
  • Niedriges Strömungsgeräusch
  • Alle lufttechnischen Daten in strömungstechnischen und akustischen Labors gemessen
  • Zusätzlich zur Standardmaßreihe zahlreiche Zwischenmaße
  • Leichter und schneller Einbau durch umlaufenden Frontrahmen

 

Optionale Ausstattung und Zubehör

  • Einbaurahmen
  • Insektenschutzgitter
  • Pulverbeschichtet oder eloxiert

 


 


 

Aktualisiere Bestellschlüssel
Speichere Konfiguration
Ihr Preis wird berechnet
Aktualisiere technische Daten
  • Medien
Ausschreibungstext:
Aktualisiere Auschreibungstext
Vollständigen Text anzeigen Vollständigen Text verbergen
Initialisiere Bestellschlüssel

Allgemeine Informationen

Anwendung
  • Wetterschutzgitter mit kleiner Lamellenteilung für Außenluft- und Fortluftöffnungen von lufttechnischen Anlagen
  • Schutz vor direkt eindringendem Regen sowie Laub und Vögeln
  • Empfohlene Anströmgeschwindigkeit für Außenluftöffnungen maximal 2 – 2,5 m/s

Besondere Merkmale
  • Geringe Druckdifferenz und niedriges Strömungsgeräusch durch strömungsgünstige Lamellen
  • Leichte und schnelle Montage durch umlaufenden Frontrahmen
  • Silikonfrei gefertigt

Nenngrößen
  • B: 97, 147, 197, 297, 397, 497, 597, 797, 997, 1197, 1397, 1597, 1797, 1997 mm (Zwischenmaßreihe 98 – 1996 mm in Schritten von 1 mm)
  • H: 97,147, 197, 247, 297, 347, 397, 447, 497, 597, 797, 997, 1197, 1397, 1597, 1797, 1997 mm (Zwischenmaßreihe 122 – 1972 mm in Schritten von 25 mm)

Ausführung

Schutzgitter
  • Welldrahtgitter
  • 1: mit Insektenschutzgitter, Stahl verzinkt
  • 3: mit Insektenschutzgitter, Edelstahl

Frontrahmen
  • Gelocht
  • U: ungelocht


Bauteile und Eigenschaften
  • Frontrahmen
  • Feldlamellen und untere Abschlusslamelle
  • Welldrahtgitter
  • Insektenschutzgitter (optional)
  • Sichtbarer Verstärkungssteg ab B = 597 mm, 2 Verstärkungsstege ab B = 1198 mm, 3 Verstärkungsstege ab B = 1797 mm


Zubehör
  • Einbaurahmen zum schnellen und einfachen Einbau von Wetterschutzgittern

Konstruktionsmerkmale
  • Frontrahmen, Materialstärke 1,3 mm
  • Lamellen, Materialstärke 1,35 mm
  • Rückseitiges Welldrahtgitter Maschenweite 6 × 6 × 0,63 mm
  • Rückseitiges Insektenschutzgitter (optional), Maschenweite 1,25 × 1,25 × 0,4 mm
  • Frontrahmen gelocht

Materialien und Oberflächen
  • Rahmen, Lamellen und Verstärkungsstege aus Aluminium-Strangpressprofilen, Material EN AW-6060 T66, eloxiert, Farbton nach EURAS-Standard E6-C-0 (naturfarben)
  • Welldrahtgitter aus verzinktem Stahl
  • P1: pulverbeschichtet, Farbton nach RAL CLASSIC
  • PS: pulverbeschichtet, Farbton nach NCS oder DB

Instandhaltung
  • Wartungsfrei, da aufgrund der Konstruktion und der verwendeten Materialien keine Abnutzung erfolgt

Offenlegung von Chemikalien
  • RoHS EU-Richtlinie 2011/65/EU (RoHS)
    • Dieses Produkt oder einzelne Varianten entsprechen der EU-Richtlinie 2011/65/EU (RoHS) zur Beschränkung der Verwendung bestimmter gefährlicher Stoffe in Elektro- und Elektronikgeräten. Weitere Informationen finden Sie in unseren Umweltproduktdeklarationen
  • REACH 1907/2006 (EG-Verordnung REACH)
    • Dieses Produkt oder einzelne Varianten entsprechen den Bestimmungen der EG-Verordnung Nr. 1907/2006, auch bekannt als REACH (Registrierung, Bewertung, Zulassung und Beschränkung chemischer Stoffe). Weitere Informationen finden Sie in unseren Umweltproduktdeklarationen

Technische Information

Funktion, Technische Daten, Schnellauslegung, Ausschreibungstext, Bestellschlüssel

  • Funktion
  • TECHNISCHE DATEN
  • SCHNELLAUSLEGUNG
  • AUSSCHREIBUNGSTEXT
  • BESTELLSCHLÜSSEL
Schematische Darstellung WGK-AL WGK_gc_02ai.png

① Frontrahmen

② Feldlamellen

③ Abschlusslamelle

④ Befestigungslöcher

⑤ Welldrahtgitter, optional zusätzlich mit Insektenschutzgitter

⑥ Strebe ab H = 597

⑦ Verstärkungssteg ab B = 597

Wetterschutzgitter sind Luftdurchlässe für die Außenluft und Fortluft lufttechnischer Anlagen. Sie werden in Außenwände und Fassaden eingebaut. Durch ihre eng angeordneten Lamellen schützen sie vor direkt eindringendem Regen sowie Laub und Vögeln.


Abhängig von der Art und Stärke des Regens und der Strömungsgeschwindigkeit kann es vorkommen, dass geringe Wassermengen mit der Luft einströmen.


Die Strömungsgeschwindigkeit in Außenluftöffnungen sollte daher 2 – 2,5 m/s nicht überschreiten.


 

Nenngrößen97 × 97 – 1997 × 997 mm/1197 × 1997 mm


 

Die Schnellauslegung im Easy Product Finder gibt einen guten Überblick über die

  • Möglichen Volumenströme bei verschiedenen Strömungsgeschwindigkeiten
  • Entsprechenden Druckverluste
  • Schallleistungspegel
  • Freien Querschnitte

Zu exakten Werten anhand projektspezifischer Daten führt die Auslegung mit unserem Auslegungsprogramm Easy Product Finder.

Den Easy Product Finder finden Sie auf unserer Website:

www.trox.de/mytrox/auslegungsprogramm-easy-poduct-finder-182e16348fac3d33

Wetterschutzgitter in rechteckiger Bauform zum Schutz vor direkt eindringendem Regen sowie Laub und Vögeln durch Außenluft- und Fortluftöffnungen. Einbaufertige Komponente, bestehend aus Frontrahmen, regenabweisend und strömungsgünstig geformten Lamellen und rückseitigem Vogelschutzgitter.

Besondere Merkmale
  • Geringe Druckdifferenz und niedriges Strömungsgeräusch durch strömungsgünstige Lamellen
  • Leichte und schnelle Montage durch umlaufenden Frontrahmen
  • Silikonfrei gefertigt


Materialien und Oberflächen
  • Rahmen, Lamellen und Verstärkungsstege aus Aluminium-Strangpressprofilen, Material EN AW-6060 T66, eloxiert, Farbton nach EURAS-Standard E6-C-0 (naturfarben)
  • Welldrahtgitter aus verzinktem Stahl
  • P1: pulverbeschichtet, Farbton nach RAL CLASSIC
  • PS: pulverbeschichtet, Farbton nach NCS oder DB

Ausführung

Schutzgitter
  • Welldrahtgitter
  • 1: mit Insektenschutzgitter, Stahl verzinkt
  • 3: mit Insektenschutzgitter, Edelstahl

Frontrahmen
  • Gelocht
  • U: ungelocht


Technische Daten
  • Nenngrößen: 97 × 97 – 1997 × 997 mm/1197 × 1997 mm


WGKAL3/1197 × 797/ER/P1 - RAL …
|||||||
1234567
1 Serie
WGK Wetterschutzgitter mit kleiner Lamellenteilung
 
2 Material

AL Aluminium eloxiert
 
3 Ausführung
Keine Eintragung: Welldrahtgitter, Stahl verzinkt
1 Insektenschutzgitter, Stahl verzinkt
3 Insektenschutzgitter, Edelstahl
 
4 Frontrahmen
Keine Eintragung: gelocht
U ungelocht
 
5 Nenngröße [mm]
B × H
 
6 Einbaurahmen

Keine Eintragung: ohne
ER mit (nicht mit Frontrahmen ungelocht)
 
7 Oberfläche
Keine Eintragung: eloxiert (S3), E6-C-0 (naturfarben), EURAS-Standard-Farbton
P1 pulverbeschichtet, RAL-CLASSIC-Farbton angeben
S2 eloxiert, EURAS-Standard-Farbton angeben (31 – 35)
 
Glanzgrad
RAL 9010 50 %
RAL 9006 30 %
Alle anderen RAL-Farben 70 %


Bestellbeispiel: WGK–AL–1/997×1622/P1–RAL 9006
MaterialAluminium
AusführungInsektenschutzgitter Stahl verzinkt
Nenngröße997 × 1622 mm
Einbaurahmenohne
Oberflächepulverbeschichtet, RAL 9006, weißaluminium

Abmessungen und Gewichte, Produktdetails, Einbaudetails

  • ABMESSUNGEN UND GEWICHTE
  • PRODUKTDETAILS
  • EINBAUDETAILS
WGK WGK

WGK, Breite 97 – 997 mm, Gewichte [kg]

H [mm]

B [mm]
97147197297397497597697797897997
9711111111112
14711111111222
19711111222223
24711112222333
29711122233334
34711122333444
39711222334445
44711223344455
49711223344556
59712233455667
79712344567889
9971234567891011
1197234568910111214
13972356791012131416
159724578101213151618
179724689111315171820
1997246810121416182022


WGK, Breite 1097 – 1997 mm, Gewichte [kg]

H [mm]

B [mm]
1097119712971397149715971697179718971997
972222333333
1472233333444
1973333444445
2473444455556
2974455566667
3475556667778
3975666778889
44766778899910
4976778899101011
5978899101111121213
79710111212131415161617
99712131415161718192021
119715161718202122
13971719202123
1597202123
179722
1997

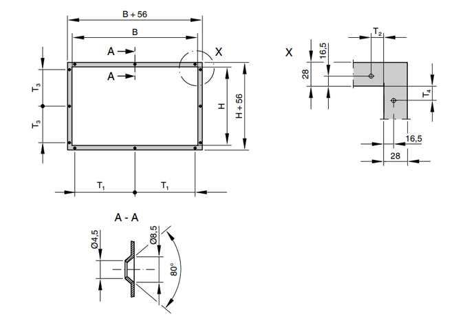
Frontrahmenlochung, WGK WGK_gc_04ai.png

Produktdetails

WGK, Standardmaßreihe, Breite B, Anzahl Flanschlöcher n

B [mm]Lochanzahl nT₁ [mm]T₂ [mm]
971

B/2

1471

B/2

1971

B/2

297226217,5
397236217,5
497323117,5
597328117,5
797338117,5
997432117,5
1197438717,5
1397534117,5
1597539117,5
1797635217,5
1997639217,5


WGK, Standardmaßreihe, Höhe H, Anzahl Flanschlöcher n

H [mm]Lochanzahl nT₃ [mm]T₄ [mm]
970
1470
1970
2970
3970
4970
597328117,5
797338117,5
997432117,5
1197438717,5
1397534117,5
1597539117,5
1797635217,5
1997639217,5


WGK, Zwischenmaßreihe, Breite B, Anzahl Flanschlöcher n

B [mm]Lochanzahl nT₁ [mm]T₂ [mm]
97 – 2961

B/2

298 – 3962

B - 35

17,5
398 – 7963

(B - 35)/2

17,5
798 – 13964

(B - 35)/3

17,5
1398 – 17965

(B - 35)/4

17,5

1798 – 1996

6

(B - 35)/5

17,5


WGK, Zwischenmaßreihe, Höhe H, Anzahl Flanschlöcher n

H [mm]Lochanzahl nT₃ [mm]T₄ [mm]
122 – 5720
622 – 7723

(H - 35)/2

17,5
822 – 13724

(H - 35)/3

17,5
1422 – 17725

(H - 35)/4

17,5
1822 – 19726

(H - 35)/5

17,5

    Wandeinbau ohne Einbaurahmen WGK_gc_01ai.png

    Einbaudetails

    Einbau und Inbetriebnahme

    • Einbau mit oder ohne Einbaurahmen

    Downloads

    Produktinfos

    Zertifikate

    production {"x-frame-options"=>"SAMEORIGIN", "x-xss-protection"=>"1; mode=block", "x-content-type-options"=>"nosniff", "x-download-options"=>"noopen", "x-permitted-cross-domain-policies"=>"none", "referrer-policy"=>"strict-origin-when-cross-origin", "strict-transport-security"=>"max-age=31536000; includeSubDomains", "content-type"=>"text/html; charset=utf-8"}

    Seite teilen

    Diese Seite weiterempfehlen

    Hier haben Sie die Möglichkeit diese Seite als Link weiter zu empfehlen.

    Mit Stern (*) markierte Felder sind Pflichtfelder.

    Kontakt

    Vielen dank für Ihre Nachricht!

    Ihre Empfehlung wurde verschickt und sollte jeden Moment beim Empfänger eingehen.

    Kontakt

    Wir sind für Sie da

    Bitte spezifizieren Sie das Thema Ihrer Anfrage und Ihre Kontaktdaten.
    Tel.: +49 (0)2845 / 202-0 | Fax: +49 (0)2845/202-265

    Mit Stern (*) markierte Felder sind Pflichtfelder.

    Kontakt

    Vielen Dank für Ihre Nachricht!

    Ihre Nachricht in ist unserem Service Center eingegangen und wird bearbeitet.
    Unsere Abteilung für Service-Anfragen wird sich in Kürze mit Ihnen in Verbindung setzten.
    Für allgemeine Fragen zu Produkten und Services erreichen Sie uns auch unter:
    Tel.: +49 (0)2845 / 202-0 | Fax: +49 (0)2845/202-265

    Kontakt

    Wir sind für Sie da

    Bitte spezifizieren Sie das Thema Ihrer Anfrage und Ihre Kontaktdaten.
    Tel.: +49 (0)2845 / 202-0 | Fax: +49 (0)2845/202-265

    Anhang (max. 10MB)

    Mit Stern (*) markierte Felder sind Pflichtfelder.

    Kontakt

    Vielen Dank für Ihre Nachricht!

    Ihre Nachricht in ist unserem Service Center eingegangen und wird bearbeitet.
    Unsere Abteilung für Service-Anfragen wird sich in Kürze mit Ihnen in Verbindung setzten.
    Für allgemeine Fragen zu Produkten und Services erreichen Sie uns auch unter:
    Tel.: +49 (0)2845 / 202-0 | Fax: +49 (0)2845/202-265