FSL-B-ZAB-SEK_img_17psd.png
FSL-B-ZAB/SEK

00060056_0tif.tif.link

Kreuzstrom-Wärmerückgewinner

Energielabel_FSL-B-ZABSEK_150psd.png
{249}

Energielabel

00073144_0ai.ai.link
Geprüft nach VDI 6022

Geprüft nach VDI 6022

FSL-B-ZAB-SEK_img_16psd.png
Revisionsdeckel für Filter G3/F7 und WRG

Revisionsdeckel Filter und Wärmerückgewinner

 

 

FSL-B-ZAB-SEK_img_15psd.png
Wasseranschluss

Wasseranschluss

 

 

FSL-B-ZAB-SEK_img_17psd.png
00060056_0tif.tif.link
Energielabel_FSL-B-ZABSEK_150psd.png
00073144_0ai.ai.link
FSL-B-ZAB-SEK_img_16psd.png
FSL-B-ZAB-SEK_img_15psd.png

X-CUBE ROOMAIR-B-ZAB/SEK   

Zu- und Abluftgerät mit Umschaltmöglichkeit auf Sekundärluftbetrieb, inklusive Wärmerückgewinner und Wärmeübertrager zum Einbau vor der Brüstung

Anschlussfertiges dezentrales Lüftungsgerät zur komfortablen Raumtemperierung sowie Be- und Entlüftung von Räumen

  • Akustisch optimierte EC-Ventilatoren mit niedriger spezifischer Ventilatorleistung, nach DIN EN 16798-3 SFP = 0
  • Kreuzstrom-Wärmerückgewinner (Rückwärmzahl 60 %)
  • Hocheffizienter Wärmeübertrager zum Heizen und Kühlen als 2- oder 4-Leiter-System
  • Anschluss des Wärmeübertragers raumseitig rechts
  • Kondensatwanne mit Kondensatanschluss (raumseitig rechts)
  • Ganzjährige Nutzung der Wärmerückgewinnung möglich (Kondensatanschluss bauseits notwendig)
  • Reduzierung der Feinstaub- und Pollenbelastung durch integrierte Luftfilter gemäß VDI 6022 – Filterklasse ISO ePM1 65 %/ISO Coarse 85 %
  • Servicefreundlicher Wartungsdeckel für Filterwechsel und Reinigung der WRG
  • Motorisierte Absperrklappen, stromlos geschlossen
  • Automatische Umschaltung auf Sekundärluftbetrieb (luftqualitätsabhängig)

Optionale Ausstattung und Zubehör

  • Speziell auf dezentrale Lüftungsgeräte ausgelegte und modular aufgebaute Regelung FSL-CONTROL III
  • Verschiedene Befestigungsmöglichkeiten für die Montage auf dem Boden bzw. an der Brüstung
  • Holzverkleidung als Raumlösung in diversen Farben inklusive TROX Lüftungsgittern für Zu- und Abluft (Selbstbausatz)

Technische Information

Funktion, Technische Daten, Schnellauslegung, Ausschreibungstext, Bestellschlüssel

  • FUNKTION
  • TECHNISCHE DATEN
  • SCHNELLAUSLEGUNG
  • AUSSCHREIBUNGSTEXT
  • BESTELLSCHLÜSSEL

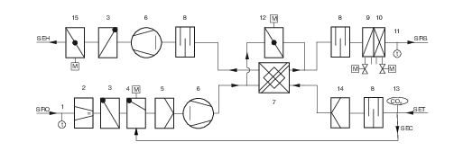
Dezentrale Zu- und Abluftgeräte be- und entlüften den Raum. Sie decken die Kühl- und Heizlast gemäß den technischen Daten ab. Die Außenluft wird von einem EC-Radialventilator angesaugt und strömt durch den wartungsfreien und mechanisch selbsttätigen Volumenstrombegrenzer Typ VFL, der werkseitig auf einen Maximalvolumenstrom voreingestellt wird. Dieser sorgt, ohne elektrische Hilfsenergie, für die Maximalbegrenzung des Außenluftvolumenstroms auf einen voreingestellten Wert bei allen Fassaden¸berdrucksituationen. Anschließend durchströmt die Luft die motorisierte Absperrklappe, die selbsttätige Rückschlagklappe und den Außenluftfilter. Die selbsttätigen Rückschlagklappen in Außenluftansaugung und Fortluftausblasung verhindern eine Rückströmung konditionierter Luft bzw. vermeiden ungewollte Strömungsrichtungen. Danach strömt die Außenluft durch den Kreuzstrom-Wärmerückgewinner, der in energetisch sinnvollen Betriebssituationen und zum Geräteschutz umgangen werden kann. Bevor die Zuluft quellluftartig in den Raum strömt, wird sie bei Bedarf im Wärmeübertrager noch geheizt bzw. gekühlt. Die Abluft strömt durch den Außenluftfilter, bevor sie durch den Wärmerückgewinner, den Abluftventilator, die Rückschlagklappe und die motorisierte Absperrklappe als Fortluft ins Freie gefördert wird. Bei ausreichend guter Raumluftqualität schaltet die FSL-CONTROL III Regelung durch Schließen der Außenluftklappen in den energetisch sinnvollen Sekundärluftbetrieb. Die Regelung vergleicht dabei die Sollwerte der Raumluftqualität mit den am CO2 -Sensor gemessenen Istwerten und schaltet automatisch zwischen Außenluft- und Sekundärluftbetrieb um. Zum Brandschutz, Frostschutz und zur Vermeidung von Zugluft werden bei Stromausfall die Außenluft und Fortluftklappe zugefahren. Hierzu besitzen die Stellantriebe einen Energiespeicher. Die Zuluft strömt mit mittlerer Geschwindigkeit von 0,5 – 0,8 m/s fassadennah in den Raum. Durch die Induktionswirkung werden die Geschwindigkeiten bereits kurz nach dem Lufteintritt in den Raum abgebaut, so dass sich die Zuluft im Kühlfall über die gesamte Bodenfläche quellluftartig ausbreitet. An Wärmequellen wie Menschen und Geräten bildet sich durch natürliche Konvektion eine Auftriebsströmung, so dass primär in diesen Bereichen die Luft ausgetauscht wird

Breite1085 mm
Höhe630 mm
Tiefe320 mm
Außenluftvolumenstrom

80 – 150 m³/h

Nennvolumenstrom

120 m³/h

Schallleistungspegel

30 – 43 dB(A)

Wärmerückgewinnungsgrad

60 %

maximaler Betriebsdruck wasserseitig

6 bar

maximale Betriebstemperatur

75 °C
Versorgungsspannung230 V AC ±10 %, 50/60 Hz
Anschlussleistung

234 VA

Gewicht

65 kg


 

X-CUBE/ROOMAIR-B-ZAB/SEK (Auslegungsbeispiel 4-Leiter-Ausführung kondesatfrei)

Zuluftvolumenstrom

m³/h

80

100

120

150

GesamtkühlleistungW

370

460

550

670

RaumkühlleistungW

214

267

321

386

Temperatur der Luft im Gerät°C

32,0

32,0

32,0

32,0

relative Feuchte

%

40

40

40

40

Wassergehalt der trockenen Luft

g/kg

11,911,911,911,9
Zulufttemperatur°C

18,0

18,0

18,0

18,3

Kondensatg/h
Kaltwassermengel/h

90

115

160

200

Wassereintrittstemperatur°C16161616
Wasseraustrittstemperatur°C

19,5

19,4

19,0

18,9

Druckverlust wasserseitigkPa

3,0

4,0

7,5

11,0

GesamtheizleistungW

1370

1720

2060

2440

RaumheizleistungW

326

421

501

506

Temperatur der Luft im Gerät°C

-12,0

-12,0

-12,0

-12,0

Zulufttemperatur°C

33,2

33,6

33,5

31,1

Warmwassermengel/h

50

80

120

145

Wassereintrittstemperatur°C60606060
Wasseraustrittstemperatur°C

36,2

41,2

45,0

45,3

Druckverlust wasserseitigkPa

2,5

5,5

11,0

15,0

Schallleistungspegel LWA

dB(A)

30

34

38

43

Schalldruckpegel inklusive 8 dB Systemdämpfung

dB(A)

22

26

30

35

Wirkleistung Pel

W

19

23

24

34

Luftseitige Daten Kühlbetrieb:

  • Temperatur Außenluft: 32 °C
  • Temperatur Raumluft: 26 °C

Luftseitige Daten Heizbetrieb:

  • Temperatur Außenluft: -12 °C
  • Temperatur Raumluft: 21 °C

Alle Angaben ohne Berücksichtigung der WRG!


X-CUBE/ROOMAIR-B-ZAB/SEK (Auslegungsbeispiel 4-Leiter-Ausführung mit ganzjähriger WRG-Nutzung)

Zuluftvolumenstrom

m³/h

80

100

120

150

GesamtkühlleistungW

420

520

640

800

RaumkühlleistungW

216

267

321

406

Rückwärmzahl

%

63

61

60

56

Lufttemperatur nach WRG

°C

29,4

29,5

29,6

29,7

relative Feuchte

%

46,3

46,0

46,0

45,6

Wassergehalt der trockenen Luft

g/kg

11,911,911,911,9
Zulufttemperatur°C

17,9

18,0

18,0

17,9

Kondensatg/h

177

207

266

324

Kaltwassermengel/h

50

68

80

105

Wassereintrittstemperatur°C

8

8

8

8

Wasseraustrittstemperatur°C

15,2

14,6

14,8

14,5

Druckverlust wasserseitigkPa

1,5

2,0

2,7

4,5

GesamtheizleistungW

770

960

1200

1560

RaumheizleistungW

329

404

481

571

Rückwärmzahl

%

61

60

57

54

Lufttemperatur nach WRG

°C

6,1

5,9

4,8

3,3

Zulufttemperatur°C

33,3

33,1

33,0

32,4

Kondensatg/h

200

200

200

200

Warmwassermengel/h

55

75

110

180

Wassereintrittstemperatur°C

50

50

50

50

Wasseraustrittstemperatur°C

37,8

38,9

40,5

42,5

Druckverlust wasserseitigkPa

0,5

1

1,5

3,3

Schallleistungspegel LWA

dB(A)

30

34

38

43

Schalldruckpegel inklusive 8 dB Systemdämpfung

dB(A)

22

26

30

35

Wirkleistung Pel

W

19

23

24

34

Luftseitige Daten Kühlbetrieb:

  • Temperatur/relative Feuchte Außenluft: 32 °C/40 %
  • Temperatur/relative Feuchte Raumluft: 28 °C/50 %


Luftseitige Daten Heizbetrieb:

  • Temperatur/relative Feuchte Außenluft: -16 °C/90 %
  • Temperatur/relative Feuchte Raumluft: 20 °C/35 %
  1. Dieser Ausschreibungstext beschreibt die generellen Eigenschaften des Produkts. Texte für Varianten generiert unser Auslegungsprogramm Easy Product Finder.

    X-CUBE/ROOMAIR-B-ZAB/SEK-4-KM/1085x630x320/C3

  2. Brüstungsgeräte für die Montage horizontal an der Fassade Bitte beachten: Die beschriebene Brüstungslüftungsgeratevariante ist mit einer im Gerät angeordneten Einzelraumregelung für autarken Raumbetrieb ausgestattet. Die gelieferten Regler beinhalten die Parameter der Standardregelung für einen Betrieb gemäß unserer Regelungsbeschreibung. X-CUBE/ROOMAIR-B-ZAB/SEK mit selbsttätiger Sekundärluftumschaltfunktion – MASTERGERATBrüstungslüftungsgerat TROX X-CUBE/ ROOMAIR-B-ZAB/SEK mit Zu- und Abluftfunktion und Umschaltmöglichkeit auf Sekundärluftbetrieb (luftqualitätsabhängig), Wärmerückgewinnung sowie Heiz- und Kühlfunktion zum Einbau vor der Brüstung unterhalb der Fensterbank:

    • Gerätegehäuse aus verzinktem Stahlblech, Deckel und Blechverbindungen über Gewindetiefzuge und Edelstahlkreuzschlitzschrauben, alle notwendigen internen Luftkanalführungen abgedichtet und ausgekleidet, interne Elektrokabeldurchführungen abgedichtet, Sichtflachen pulverbeschichtet (RAL 9005, Tiefschwarz)
    • Auf der Oberseite Ansaugkanal für die Abluft- und Sekundärluftansaugung durch umlaufende Blechumkantung, ohne Dichtband, als zusätzliche Auflagemöglichkeit zum Ständerwerk der bauseitigen Brüstungsverkleidung, Andichtung zur Brüstungsverkleidung durch geschlossenporiges Dichtband zur Luftkurzschlussvermeidung (Dichtband nicht Lieferumfang TROX) ist erforderlich
    • Schall- und wärmedämmende Auskleidung auf Saug- und Druckseite aus glasseidenkaschierter Mineralwolle (Baustoffklasse A, nicht brennbar nach DIN 4102, T1), abriebfest bis Luftgeschwindigkeiten von 20m/s, oder geschlossenporigem Dammstoff
    • Das Gerät entspricht den hygienischen Anforderungen der VDI 6022
    • Höhenverstellbaren Stellfüße, + 40 mm, zum Ausgleich von Rohbautoleranzen
    • Anschluss an die bauseitigen Außenluft- und Fortluftöffnungen der Fassade durch umlaufendes geschlossenporiges Dichtband auf der Geräterückseite, b × d= 50 x 10mm, der Ansaug- und Ausblaswiderstand der bauseitigen Konstruktion sollte bei Nennvolumenstrom 20 Pa nicht überschreiten
    • Einsatz von 2 energiesparenden EC-Radialgeblasen, Zu- und Abluftventilator eingestuft in Kategorie SFP 0 (< 300 W (m3/s) nach DIN EN 16798-3:2017-11, elektrische Leistungsaufnahme des gesamten Gerätes bei Nennvolumenstrom 120 m3/h < 24 W, zur Dimensionierung der Anschlussleitung ist eine Anschlussleistung von 195 VA zu berücksichtigen
    • Geeignet für bis zu 5 Drehzahlstufen (80 – 150 m³/h), Ansteuerung über geräteinterne Einzelraumregelung, Volumenstromstufenkorrektur durch Anpassung der Steuerspannung nachträglich möglich
    • Erfüllt alle Anforderungen der EU-Verordnung 1253/2014 (Erp-Richtlinie)
    • Schallleistungspegel im Zu-, Abluftbetrieb bei 80/100/120m3/h= 30/34/38 dB(A) (entspricht bei einer Systemdampfung von 8 dB einem Schalldruckpegel von 22/26/30 dB(A)). Die Angaben der Messungen beziehen sich auf Schallleistungsmessungen eines Einzelgerätes in einem Hallraum entsprechend der Genauigkeitsklasse 1. Je nach Einbausituation sind Abweichungen möglich
    • Integrierter rekuperativer, Kreuzstrom-Wärmeübertrager (WRG) zur Wärmerückgewinnnung in seewasserbeständiger Aluminiumausführung, mit hohem Wirkungsgrad aufgrund spezieller Plattenstruktur, Plattenabstanden und Paketlange, inklusive Kondensatwanne und Ableitung in die Kondensatwanne des Wärmeubertragers. Zugänglichkeit zu Wartungszwecken über separaten Servicedeckel ohne Entfernen des Gerätedeckels möglich
    • Mit elektromotorischem Bypass, der den Luftvolumenstrom an der WRG bypassen lasst, Antrieb 24 V (stetig), 100 % Auf – Zu, Ansteuerung über geräteinterne Einzelraumregelung FSL-CONTROL III
    • Schwenkbare, in den Schließeinrichtungen der Außen- und Fortluft integriert gelagerte selbsttätige Ruckschlagklappen in Außen-/und Fortluftbereich, die bei geöffneter wie geschlossener Absperrklappenvorrichtung eine Rückströmung konditionierter Luft bzw. ungewollten Strömungsrichtungen vermeiden
    • Motorische Absperrklappen in Außen-/und Fortluftbereich, stromlos geschlossen im inaktiven Zustand über Energiespeicher, Antrieb 230 V, Auf – Zu, Ansteuerung über geräteinterne Einzelraumregelung
    • Integrierter mechanisch selbsttätiger Volumenstrombegrenzer Typ VFL, wartungsfrei, voreingestellt auf einen Maximalvolumenstromwert, ohne elektrische Hilfsenergie zur Maximalbegrenzung des Außenluftvolumenstroms auf voreingestellten Wert bei allen Fassadenüberdrucksituationen. Der VFL besteht aus der Regeleinheit mit Sollwerteinstellung und Regelmechanik. Regelprinzip mechanisch selbsttätig mit Regelklappe. Reglerfeder und reibungsarmem, silikonfreiem Dämpfungselement, lageunabhangig und wartungsfrei, hohe Regelgenauigkeit von ± 10 %, bezogen auf maximal im Druckbereich zwischen 30 und 300 Pa
    • Automatische Umschaltung auf Sekundarluftbetrieb (nur in Verbindung mit Luftqualitätssensor) erfolgt, sofern die Raumluftqualität (gemessen am z. B. gerateinternenCO2-Sensor) innerhalb der zuvor definierten Grenzwerte liegen. Dazu werden die Außenluftklappen zugefahren, die selbsttätige Sekundarluftklappe öffnet sich, und der Abluftventilator wird abgeschaltet.
    • Im Gerat enthaltene elektrische Komponenten komplett verdrahtet mit FSL-CONTROL III, Regelkomponenten werden im Gerät integriert. Kabel zum bauseitigen Anschluss (Anschluss nicht Lieferumfang TROX) der Spannungsversorgung (L, N, PE) mit Aderendhülsen ca. 1 m aus dem Gerat herausgeführt: Als Übergabestelle zum bauseitigen Gewerk Elektro:
      • Spannungsversorgung (230 V): 3 Adern, 3 x 1,5 mm2 (L, N, PE)
    • Anschlussmöglichkeit für Buskommunikation (optional), Anschluss Raumbediengerat etc. nach Öffnung des Kundenbereichs der Regelung. Als Übergabestelle zum bauseitigen Gewerk Messen/Steuern/Regeln:
      • Reihenklemmen Typ Wago 260 für den bauseitigen Anschluss von
        • Digitalen Eingängen DI
        • Digitalen Ausgängen DO
        • Master-Slave-Verbindung RS485
        • Optionale Integration in MBE/GA via RS485 (Modbus/ BACnet)
        • Raumbediengerat
        • RJ45-Buchse als Servicezugang zur Bedienoberfläche
        • Optionale Integration in eine bauseitige MBE/GA via Ethernet (Modbus/BACnet)
    • Folgende Fühler werden zur Steuerung der Einzelraumregelung im Gerät angeordnet (die Raum-Ist-Temperatur wird am Raumbediengerat erfasst):
      • Raumluftqualitatssensor CO2
      • Zulufttemperaturerfassung nach dem Wärmeubertrager
      • Außenlufttemperaturerfassung in der Außenluftansaugung
    • 4-Leiter-Aluminium-Kupferrohr-Wärmeubertrager zur Lufterwarmung oder Luftkühlung, abgestimmt auf die projektspezifischen Daten, zur Reinigung leicht abnehmbar (entscheidend ist die bauseitige Anbindung an die Hauptverrohrung, nicht Lieferumfang TROX), Entleerungs- und Entlüftungsmöglichkeit pro Heiz-/Kühlkreislauf, Anordnung raumseitig rechts. Wir empfehlen eine Anbindung an das bauseitige Rohrnetz mit flexiblen Schläuchen (nicht im Lieferumfang TROX), um den Wärmeübertrager zur Reinigung leicht entnehmen zu können
    • Übergabepunkte sind die handfest vormontierten Regelungskomponenten:
      • Im Rücklaufventile: Übergabe mit G ½"-Außengewinde flach dichtend
      • Im Vorlauf-Rücklaufverschraubungen: Übergabe mit G½"-Außengewinde flach dichtend
    • Leicht reinigbare Kondensatwanne aus verzinktem Stahlblech, pulverbeschichtet RAL 9005, mit Kondensatableitung12 x 1 [mm]
    • Außenluftfilter als Plisseefilter Klasse ePM1 (Feinstaubfilter):
      • Filterklasse nach ISO16890: ISO ePM1 65 %
      • Eurovent-zertifiziert
      • ePM1 Filtermedien aus hochwertigem, nassfestem Glasfaserpapier sind in enge Falten gelegt, die Abstandshalter sind aus thermoplastischen Schmelzkleber und sorgen für einen gleichmäßigen Abstand (4mm) der Falten zueinander
      • Der Rahmen ist aus feuchtigkeitsbeständigem Vlies mit Auszuglaschen und darf den Durchstromquerschnitt nicht verkleinern (Filtergröße = Durchstromquerschnitt)
      • Filterfläche >= 1,6 m2
    • Abluftfilter (Grobstaubfilter) als Flachfiltermedium, Filterklasse nach ISO16890: ISO coarse 55 %
    • Schneller Wechsel der Filter möglich, da Filtereinschub nach Öffnung der bauseitigen Verkleidung werkzeugfrei offenbar über bedienerfreundliche Vierteldrehverschlusse (Zugänglichkeit darf von der bauseitigen Brüstungsverkleidung nicht eingeschränkt werden)
    • Auflagemöglichkeit einer bauseitigen Fensterbank, Ansaugung der Abluft unterhalb der Fensterbank erfolgt an der Geräteoberseite
    • Geschlossenporige Dichtbänder zur Abdichtung und Anpassung an die bauseitige Verkleidung nicht Lieferumfang TROX
    • Die bauseitige Brüstungsverkleidung (Lieferumfang durch TROX auf Anfrage möglich) erhalt Perforationen in festzulegenden Bereichen des Heizkörpers für die Zulufteinbringung in den Raum und darf auf der Gerätevorderseite Wartungsarbeiten sowie Gerätemontage/- Demontage nicht einschränken. Auf der Verkleidungsoberseite befindet sich ebenfalls eine Perforation in festzulegenden Bereichen zur Abluftansaugung
    • Lichter Abstand Vorderkante Gerät zur Innenkante der Brüstungsverkleidung ca. 30 mm
    • Die Gerätefront muss nach Demontage der bauseitigen Verkleidung komplett zugänglich sein

      Geräte, Abmessungen und Gewicht:

    • Breite: ca. 1085 mm (inklusive seitlichen Aufstellwinkeln)
    • Höhe: ca. 630 mm (ohne Andichtung zur Fensterbank, ohne Überstand Kondensatablaufrohr, ohne Höhenverstellung)
    • Tiefe: ca. 320 mm (ohne komprimierbare Fassadenandichtung an der Geräterückseite)
    • Gewicht: ca. 65 kg
      Inklusive Regelsystem FSL-CONTROL III, wie nachfolgend beschrieben:FSL-CONTROL III ist als autarke Einzelraumregelung mit einfachem Zeitprogramm beschrieben. Optionale Erweiterungen, wie z. B. Integration in eine bauseitige MBE/GA via Modbus TCP, Modbus RTU, BACnet MS/TP oder BACnet IP, Feuchtesensorik, Rücklauftemperaturfühler, elektromotorische Ventilantriebe oder druckunabhängige Regelventile, sind im Lieferprogramm enthalten, müssen aber in der folgenden Beschreibung gegen die Standardkomponenten ausgetauscht werden. Zudem wird ein Raumtemperatursignal benötigt. Dazu stehen verschiedene Raumbediengerate und Fühler zur Auswahl. Die zugehörigen optionalen Ausstattungstextbausteine finden Sie im Anhang der nachfolgenden Standardausstattung für raumautarken Betrieb - siehe Optionales Regelungszubehör. Wir empfehlen eine Inbetriebnahme durch TROX. Zugehörige Textbausteine finden Sie weiter unten. TROX Regelmodul FSL-CONTROL III (Bestellschlüssel ...-C3- MA ...):
    • Einzelraumregler zur DIN-Schienen-Montage im Gerät oder in separatem Regelungsgehäuse
    • 42 digitale bzw. analoge Ein- und Ausgänge
    • Als Flashspeichermedium ist eine microSD-Karte mit mindestens 2 GB Speicherplatz integriert. Dort werden die Trenddaten gespeichert und sind über die RJ45-Buchse abrufbar
    • Werkseitig mit speziell für dezentrale Lüftungsgerate entwickeltem Softwarepaket für Mastergerate ausgestattet. Die Software ermöglicht eine einfache Master-Slave- Kommunikation über Modbus RTU
    • Es können bis zu 10 Slavegeräte an ein Mastergerat angeschlossen werden
    • Die Software stellt 3 Betriebsmodi (Aus, Automatik und Handbetrieb), 3 Betriebsarten (Anwesend, Abwesend und Standby) und 4 Betriebsartenübersteuerungen (Boost, Klausur, Nachtlüftung und Lüfterzwangsschaltung) zur Verfügung
    • Grundsatzliche Unterscheidung zwischen Raumtemperaturregelung durch Ansteuerung von Heiz- und Kühlventilen bzw. stetiger Bypassklappe oder Zulufttemperaturregelung für isothermen Lüftungsbetrieb
    • CO2-geführte Lüftqualitatsregelung
    • Ganzjährige WRG-Nutzung
    • Filterüberwachung
    • Konfigurierbare DI für bauseitigen Anschluss von Präsenzmeldern, Fensterkontakten, Ferienschaltung etc.
  • Alarmmeldungen: Typ A (Abschaltungen) und Typ B (Benachrichtigungen)

Real-Time-Clock (RTC/Echtzeituhr) (Bestellschlüssel ...-T/...):
    • Bestandteil des Master-Software-Pakets
    • Ermöglicht ein einfaches Zeitprogramm
      • 7 Tage mit jeweils 10 Schaltpunkten
      • Automatische Sommer-/Winterzeitumschaltung
      • Zeitliche Aktivierung der Nachtauskuhlung

  1. CO2-Sensor (Bestellschlussel .../C/...):

    • In der Abluftansaugung des Mastergerätes angeordneter Sensor zur Erfassung der Raumluftqualitat und entsprechender Steuerung des Außenluftvolumenstroms
    • Messung über einen NDIR-Sensor, der auf Infrarotbasis arbeitet und durch sein 2-Strahl-Messprinzip etwaige Verschmutzungen kompensiert
  • Messbereich 0 – 2000 ppm


Zulufttemperaturfühler (Bestellschlüssel .../Z/...):


    • Zulufttemperaturfühler mit NTC-Thermistor als Fühlerelement, Widerstand 10 kΩ bei 25 °C, Messbereich-35 – 105 °C
  • Besonders schnelle Reaktionszeit durch gelochte Messspitze

Außenlufttemperaturfühler (Bestellschlüssel .../A/...):

  • Außenlufttemperaturfühler mit NTC-Thermistor als Fühlerelement, Widerstand 10 kΩ bei 25 °C, Messbereich-35 – 105 °C
Ventilstellantriebe:
  • 2 × thermoelektrische Stellantriebe zum Öffnen und Schließen von Ventilen, mit Stellungsanzeige, inklusive steckbarer Anschlussleistung, Betriebsspannung 24 V DC, Steuerspannung 0 – 10 V DC, Leistungsaufnahme 1 W, Schutzart: IP 54
Durchgangsventile:
  • 2 × Durchgangskleinventile ½" Standard, handfest vormontiert, PN 16, DN 10, kvs 0,4 (alternativ 0,25, 0,63 oder 1,0 m³/h – bitte nennen Sie uns den benötigten kvs-Wert), Ventilgehäuse Durchgangsform mit Außengewinde beidseitig½" flach dichtend, Medientemperatur 1 – 110 °C
Rucklaufverschraubungen:
    • 2 x Rücklaufverschraubungen beidseitig ½", handfest vormontiert, Nennweite DN 15; Ventilgehäuse Durchgangsform mit Außengewinde beidseitig ½" flach dichtend, zur Regulierung und Absperrung, Medientemperatur maximal 120 °C

Optionale Ausstattungsmöglichkeiten zur Komfortsteigerung der Regelung FSL-CONTROL III:TROX Raumbediengerate für FSL-CONTROL III: Je Raum wird mindestens ein Raumtemperatursignal benötigt. Es stehen von TROX diverse Varianten an Raumbediengeraten zur Verfügung, wahlweise mit oder ohne Stufenschaltung. Zusätzlich bieten wir einen Raumtemperaturfühler RTF ohne Bedienelemente an. Alternative bauseitige Raumbediengerate müssen über eine Buskommunikation aufgeschaltet werden.

Digitale Raumbediengerate für Aufputzmontage:
  • Für die Bedienung und Einstellung der Lüftungsgerate. Lose als Beistellteil mitgeliefert. Anbindung an Mastergerat über Modbus Serial line. Projektspezifische Software inklusive Sollwertsteller, diverser Statusanzeigen, Stufenschalter, CO2-Ampel. Berührungsempfindliches Farbdisplay 3,5", 320 × 240 Pixel. Sensor: NTC 10 kΩ. Schutzart: IP 20. Typ: Schneider TM172DCLWT. Abmessungen (H x B x T): 120 x 86 x 25 mm. Gewicht: 340g. Farbe: weiß. Montage: Wandaufbau oder auf Standard- Unterputzdose. Versorgung: 24 V DC (inklusive passendem Schaltnetzteil für Unterputzmontage). Leistungsaufnahme: 3,2 VA/1,3 W. Optional weitere Designrahmen gegen Mehrpreis auf Anfrage erhältlich

  1. Raumbediengerate mit Stufenschalter für Aufputzmontage Raumbediengerat mit Stufenschaltung, Typ Thermokon, Aufputzmontage:
  • Lose als Beistellteil mitgeliefert, mit Raumtemperaturfühler, Sollwertversteller, Übersteuerungstaste, LED und 3- Stufenschalter sowie Aus und Automatik, Gehäuse aus PVC0 reinweiß (RAL 9010), Montage auf 60 mm Unterputzdose oder direkt auf der Wand, NTC-Thermistor als Fühlerelement, Widerstand 20 kΩ bei 25 °C, Abmessungen (B × H × T): 84,5 × 84,5 × 25 mm, Betriebstemperatur: -35 – 70 °C

Raumbediengerate ohne Stufenschalter fur Aufputzmontage
Wasserseitige Komponenten (Bestellschlüssel…/HV-R-…/KV-R-…):
Raumbediengerat
ohne Stufenschalter, Typ Thermokon, Aufputzmontage:
  • Lose als Beistellteil mitgeliefert, mit Modusanzeige, Taster und Sollwertverstellung, Sensor NTC 20 kΩ, Schutzart: IP 20, Abmessungen (B × H × T) 84,5 × 84,5 × 25 mm

Raumtemperaturfuhler fur Aufputzmontage Raumtemperaturfühler TROX RTF, Aufputzmontage:
    • Lose als Beistellteil mitgeliefert, Raumfühler ohne Bedienelemente, Messbereich: -35 – 70 °C, Sensor NTC 10 kΩ, Anschlussklemme Schraubklemme, Kabelquerschnitt 1,5 mm2, Schutzart IP 20, Montage Wandaufbau oder auf 70 mm Unterputzdose, Abmessungen (B × H × T) 85 × 85 × 30 mm, Gehäuse ABS in RAL 9010

  1. Raumbediengerate
    ohne Stufenschalter für Unterputzmontage:
    Manuelle Bedienung der Lüftungsgeräte, hochwertige Optik, passende Designrahmen aus verschiedenen Schalterprogrammen. Die Gerate eignen sich besonders für designorientierte Einrichtungen.

    Raumbediengerat
    ohne Stufenschalter, Typ Thermokon, Unterputzmontage, Schalterprogramm Berker S.1 polarweiß
  • Lose als Beistellteil mitgeliefert, mit Modusanzeige, Taster und Sollwertverstellung, Sensor NTC 20 kΩ, Schutzart: IP 20

Raumbediengerat ohne Stufenschalter, Typ Thermokon, Unterputzmontage, Schalterprogramm Berker Q.3, weiß
  • Lose als Beistellteil mitgeliefert, mit Modusanzeige, Taster und Sollwertverstellung, Sensor NTC 20 kΩ, Schutzart: IP 20

Raumbediengerat ohne Stufenschalter, Typ Thermokon, Unterputzmontage, Schalterprogramm Busch Jager future linear, weiß
    • Lose als Beistellteil mitgeliefert, mit Modusanzeige, Taster und Sollwertverstellung, Sensor NTC 20 kΩ, Schutzart: IP 20
  • Weitere Schalterprogramme auf Anfrage

Raumbediengerate ohne Stufenschalter und ohne Sollwertsteller für Unterputzmontage:

Raumbediengerat ohne Stufenschalter und ohne Sollwertsteller, Typ Thermokon, Unterputzmontage, Schalterprogramm Gira E2

    • Lose als Beistellteil mitgeliefert, mit Modusanzeige und Taster, Sensor NTC 20 kΩ, Schutzart: IP 20
  • Weitere Schalterprogramme auf Anfrage

Elektromotorische Ventilstellantriebe als Alternative zum standardmäßig installierten thermoelektrischen Stellantrieben:
  • 2 x elektromotorische Stellantriebe zum Öffnen und Schließen von Ventilen, Betriebsspannung AC/DC 24 V, maximale Leistungsaufnahme 2,5 VA, Ansteuerung Stellsignal 3-Punkt DC 0 – 10 V, zulässige Medientemperatur 1 – 110 °C

Druckunabhängige Regelventile als Alternative zu den standardmäßig installierten Durchgangskleinventilen:
  • 2 × druckunabhängige Regelventile, handfest vormontiert mit modulierender Auf/Zu-Regelung in Kombination mit einem von außen einstellbaren, dynamischen Volumenstromregler, mit voller Ventilautoritat, Nennweite DN 10, Ventilgehäuse Durchgangsform mit Außengewinde beidseitig ½" flachdichtend, Medientemperatur 0 – 120 °C

Schnittstelle zur Integration in eine bauseitige MBE/GA: Modbus TCP-Schnittstelle inklusive Webserver (Bestellschlüssel .../MT/...):

Zur Komfortsteigerung empfehlen wir die Integration in eine bauseitige MBE/GA oder die Visualisierung mit X-TAIRMINAL. FSL-CONTROL III bietet die Möglichkeit, via Modbus TCP- Protokoll in eine bauseitige MBE/GA integriert zu werden. Zusätzlich inklusive Webserver zur vereinfachten Konfiguration, Inbetriebnahme und Fernüberwachung des Gerätes. Die MBE/ GA ist nicht im Lieferumfang TROX enthalten, hier sind lediglich die zuvor aufgeführten Schnittstellen verfügbar.

  • Modbus TCP-Schnittstelle (Ethernet)

BACnet IP-Schnittstelle inklusive Webserver (Bestellschlüssel .../ BI/...):

Zur Komfortsteigerung empfehlen wir die Integration in eine bauseitige MBE/GA. FSL-CONTROL III bietet die Möglichkeit, via BACnet-IP-Protokoll in eine bauseitige MBE/GA integriert zu werden. Zusätzlich inklusive Webserver zur vereinfachten Konfiguration, Inbetriebnahme und Fernüberwachung des Gerätes. Die MBE/GA ist nicht im Lieferumfang TROX enthalten, hier sind lediglich die zuvor aufgeführten Schnittstellen verfügbar.

  • BACnet IP-Schnittstelle (Ethernet)

Modbus RTU (Bestellschlüssel .../MR/...):

Zur Komfortsteigerung empfehlen wir die Integration in eine bauseitige MBE/GA. FSL-CONTROL III bietet die Möglichkeit, via Modbus RTU in eine bauseitige MBE/GA integriert zu werden. Die MBE/GA ist nicht im Lieferumfang TROX enthalten, hier sind lediglich die zuvor aufgeführten Schnittstellen verfügbar.

  • Modbus RTU-Schnittstelle (RS485)

BACnet MS/TP (Bestellschlüssel .../BM/...):

Zur Komfortsteigerung empfehlen wir die Integration in eine bauseitige MBE/GA. FSL-CONTROL III bietet die Möglichkeit, via BACnet MS/TP in eine bauseitige MBE/GA integriert zu werden. Die MBE/GA ist nicht im Lieferumfang TROX enthalten, hier sind lediglich die zuvor aufgeführten Schnittstellen verfügbar.

    • BACnet MS/TP-Schnittstelle (RS485)
      -


Ausführung als SLAVEGERÄT

  1. Baugleich zum MASTERGERAT, wie zuvor beschrieben, jedoch mit folgenden Abweichungen:
    • Keine Raumluftqualitätsmessung im Gerät
    • Keine Anschlussmöglichkeit für Raumbediengeräte
    • Keine Außentemperaturerfassung in der Außenluft
    • Keine Aufschaltung auf bauseitige Buskommunikation möglich
  • Vormontiertes autarkes Regelsystem für dezentrale Fassadenlüftungsgeräte in SLAVE-Ausführung

Inbetriebnahme/Parametrisierung der dezentralen Luftungsgerate ohne Integration in eine bauseitige MBE/GA
    • Sichtprüfung der bauseits vorgenommenen Geräteanschlüsse auf Übereinstimmung mit den jeweiligen Einbauvorgaben aus der Installations- und Konfigurationsanleitung: Luftanschlüsse; Heizungs-/ Kälteanbindung; Elektroanschlüsse; Einbindung in die installierte Geräteverkleidung; Anschlüsse externer Teilnehmer
    • Prüfung und gegebenenfalls Anpassung der im Werk voreingestellten Projektparameter im Hinblick auf kundenspezifische Anpassungen
    • Funktionsprüfung der einzelnen Komponenten (Stellglieder, Ventilatoren, Ventile, Klappen, Sensoren)
    • Überprüfung der projektspezifischen Regelfunktionen inklusive eventueller Sonderfunktionen wie z. B. potentialfreier Schaltkontakte
    • Dokumentation der Gerateeinstellungen und des Einsatzes in einem Servicebericht. Der Servicebericht ist von Ihrem Unternehmen als Auftraggeber oder Ihrem Vertreter zu unterzeichnen
  • Die Abrechnung erfolgt als Pauschale, abgeleitet aus Geräteanzahl und Entfernung

Inbetriebnahme/Parametrisierung der dezentralen Lüftungsgeräte mit Integration in eine bauseitige MBE/GA
    • Sichtprüfung der bauseits vorgenommenen Geräteanschlüsse auf Übereinstimmung mit den jeweiligen Einbauvorgaben aus der Installations- und Konfigurationsanleitung: Luftanschlüsse; Heizungs-/ Kälteanbindung; Elektroanschlüsse; Einbindung in die installierte Geräteverkleidung; Anschlüsse externer Teilnehmer; Anschlüsse der MBE/GA
    • Prüfung und gegebenenfalls Anpassung der im Werk voreingestellten Projektparameter im Hinblick auf kundenspezifische Anpassungen
    • Funktionsprüfung der einzelnen Komponenten (Stellglieder, Ventilatoren, Ventile, Klappen, Sensoren)
    • Überprüfung der projektspezifischen Regelfunktionen inklusive eventueller Sonderfunktionen wie z. B. potentialfreier Schaltkontakte
    • Funktionsprüfung der Kommunikation zur MBE/GA in Zusammenarbeit mit der bestellten MSR-Firma:
      • Überprüfung der bauseitig vorzunehmenden Einstellungen auf Übereinstimmung mit den Vorgaben aus der Installations- und Konfigurationsanleitung
      • Eingangsprüfung der bauseitig gesendeten Datenpunkte
      • Ausgangsprüfung der ausgegebenen Datenpunkte
      • Probebetrieb der von der MBE/GA schaltbaren Betriebszustände
    • Dokumentation der Geräteeinstellungen und des Einsatzes in einen Servicebericht. Der Servicebericht ist von Ihrem Unternehmen als Auftraggeber oder Ihrem Vertreter zu unterzeichnen
  • Die Abrechnung erfolgt als Pauschale, abgeleitet aus Geräteanzahl und Entfernung

Einweisung in Bedienung und Wartung
    • Einmalige Unterweisung zur Bedienung der dezentralen Lüftungsgerate bestehend aus:
      • Beschreibung der Gerätefunktionen am bereits in Betrieb genommenem Gerät
      • Beschreibung der Raumbedieneinheit und der damit beeinflussbaren Raumkonditionen
      • Beschreibung der Wartungsarbeiten
    • Die Abrechnung erfolgt als Pauschale und wird durch den verantwortlichen Vertriebsmitarbeiter durchgefuhrt
RA-B-ZAB/SEK4HEKR/1124 × 763 × 320/C3/MAT/MR/C/Z/A/HVR0,40/KVR0,40
||||||||||||||||||
123456789101112131415161718
1 Serie 
RA-B-ZAB/SEK
 horizontales dezentrales Brüstungslüftungsgerät X-CUBE/ROOMAIR-B-ZAB/SEK

2 Wärmeübertrager
2
2-Leiter
4 4-Leiter

3 Variante
Keine Eintragung: Standard
HE hoher Wärmerückgewinnungsgrad

4 Ausführung
KR
 mit Kondensatablauf rechts
KL mit Kondensatablauf links (nur mit Variante HE)

5 Nenngröße [mm]
Breite × Höhe × Tiefe
1085 × 630 × 320 (nur mit Variante Standard)
1124 × 763 × 320 (nur mit Variante HE und Ausführung KR)
1174 × 763 × 320 (nur mit Variante HE und Ausführung KL)

6 Regelung
OR
 ohne Regelung
C3 mit FSL-CONTROL III

7 Regelungsfunktion
MA
Master
SL Slave

8 Echtzeituhr
Nur mit Regelungsfunktion MA
Keine Eintragung: ohne Echtzeituhr
T mit Echtzeituhr

9 Schnittstelle
Keine Eintragung: ohne Schnittstelle
MT mit Modbus TCP
MR mit Modbus RTU (nur mit Regelungsfunktion MA)
BI mit BACnet IP
BM mit BACnet MS/TP (nur mit Regelungsfunktion MA)

10 Luftqualitätsfühler
Nur mit Regelungsfunktion MA
Keine Eintragung: ohne Luftqualitätsfühler
C mit CO2-Sensor
V mit VOC-Sensor

11 Zulufttemperaturfühler
Z
 mit Zulufttemperaturfühler

12 Außenlufttemperaturfühler
Nur mit Regelungsfunktion MA
Keine Eintragung: ohne Außenlufttemperaturfühler
A mit Außenlufttemperaturfühler

13 Heizventil
HV
 mit Heizventil

14 Rücklaufverschraubung Heizkreis
R
 mit Rücklaufverschraubung

15 kVS-Wert Heizventil
0,25 
(Durchgangsventil)
0,40 (Durchgangsventil)
0,63 (Durchgangsventil)
1,00 (Durchgangsventil)
F0,50 (druckunabhängiges Regelventil)

16 Kühlventil
Nur mit Wärmeübertrager 4
KV mit Kühlventil

17 Rücklaufverschraubung Kühlkreis
R mit Rücklaufverschraubung

18 kVS-Wert Kühlventil
Nur mit Wärmeübertrager 4
0,25 (Durchgangsventil)
0,40 (Durchgangsventil)
0,63 (Durchgangsventil)
1,00 (Durchgangsventil)
F0,50 (druckunabhängiges Regelventil)


Bestellbeispiel: RA-B-ZAB/SEK-4-HE-KL/1174×763×320/C3-MA-T/MR/C/Z/A/HV-R-0,40/KV-R-0,25

SerieRA-B-ZAB/SEK - horizontales dezentrales Brüstungslüftungsgerät X-CUBE/ROOMAIR-B-ZAB/SEK
Wärmeübertrager4-Leiter
Variantehoher Wärmerückgewinnungsgrad
Ausführungmit Kondensatablauf links
Abmessungen [mm]Breite 1174, Höhe 763, Tiefe 320
Regelungmit FSL-CONTROL III
RegelungsfunktionMaster
Echtzeituhrmit Echtzeituhr
Schnittstellemit Modbus RTU
Luftqualitätsfühlermit CO2-Sensor
Zulufttemperaturfühlermit Zulufttemperaturfühler
Außenlufttemperaturfühlermit Außenlufttemperaturfühler
Heizventilmit Heizventil
Rücklaufverschraubung Heizkreismit Rücklaufverschraubung
kVS-Wert Heizventil0,40
Kühlventilmit Kühlventil
Rücklaufverschraubung Kühlkreismit Rücklaufverschraubung
kVS-Wert Kühlventil0,25

Produktdetails

  • Produktdetails
  • Aufstellung auf dem Fußboden oder Aufhängung vor der Brüstung
  • Ausgleich von Rohbautoleranzen über die 4 Justierfüße (+40 mm)
  • Die Außenluftansaugung bzw. Fortluftausblasung erfolgt über 2 Fassadenöffnungen. Die Fassadenöffnungen müssen vom Kunden fachgerecht bereitgestellt werden und haben idealerweise ein Gefälle nach außen
  • Freier Querschnitt der Lüftungsöffnungen mindestens 0,015 m² je Öffnung (Außen- und Fortluft) und 0,05 m² je Öffnung (Zu- und Abuft)
  • Witterungsschutz der Außen- und Fortluftöffnungen erfolgt als kundenseitige Leistung
  • Einbau und Erstellung aller Anschlüsse und Lieferung des Befestigungs-, Verbindungs- und Dichtungsmaterials erfolgen kundenseitig
  • Wasseranschlüsse für Vor- und Rücklauf befinden sich, vom Raum aus gesehen, auf der rechten Geräteseite
  • Kundenseitig ist auf die Möglichkeit zur Entleerung und Entlüftung zu achten
  • Wir empfehlen eine Anbindung an das bauseitige Rohrnetz mit flexiblen Schläuchen, um den Wärmeübertrager zur Reinigung leicht entnehmen zu können
  • Die bauseitige Brüstungsverkleidung darf auf der Gerätevorderseite Wartungsarbeiten und Gerätemontage bzw. -demontage nicht einschränken

Downloads

Produktinfos

Zertifikate

Betriebsanleitungen

production {"x-frame-options"=>"SAMEORIGIN", "x-xss-protection"=>"1; mode=block", "x-content-type-options"=>"nosniff", "x-download-options"=>"noopen", "x-permitted-cross-domain-policies"=>"none", "referrer-policy"=>"strict-origin-when-cross-origin", "strict-transport-security"=>"max-age=31536000; includeSubDomains", "content-type"=>"text/html; charset=utf-8"}

Seite teilen

Diese Seite weiterempfehlen

Hier haben Sie die Möglichkeit diese Seite als Link weiter zu empfehlen.

Mit Stern (*) markierte Felder sind Pflichtfelder.

Kontakt

Vielen dank für Ihre Nachricht!

Ihre Empfehlung wurde verschickt und sollte jeden Moment beim Empfänger eingehen.

Kontakt

Wir sind für Sie da

Bitte spezifizieren Sie das Thema Ihrer Anfrage und Ihre Kontaktdaten.
Tel.: +49 (0)2845 / 202-0 | Fax: +49 (0)2845/202-265

Mit Stern (*) markierte Felder sind Pflichtfelder.

Kontakt

Vielen Dank für Ihre Nachricht!

Ihre Nachricht in ist unserem Service Center eingegangen und wird bearbeitet.
Unsere Abteilung für Service-Anfragen wird sich in Kürze mit Ihnen in Verbindung setzten.
Für allgemeine Fragen zu Produkten und Services erreichen Sie uns auch unter:
Tel.: +49 (0)2845 / 202-0 | Fax: +49 (0)2845/202-265

Kontakt

Wir sind für Sie da

Bitte spezifizieren Sie das Thema Ihrer Anfrage und Ihre Kontaktdaten.
Tel.: +49 (0)2845 / 202-0 | Fax: +49 (0)2845/202-265

Anhang (max. 10MB)

Mit Stern (*) markierte Felder sind Pflichtfelder.

Kontakt

Vielen Dank für Ihre Nachricht!

Ihre Nachricht in ist unserem Service Center eingegangen und wird bearbeitet.
Unsere Abteilung für Service-Anfragen wird sich in Kürze mit Ihnen in Verbindung setzten.
Für allgemeine Fragen zu Produkten und Services erreichen Sie uns auch unter:
Tel.: +49 (0)2845 / 202-0 | Fax: +49 (0)2845/202-265