00239431_0
X-CUBE ROOMAIR-U-ZAS


00239431_0

X-CUBE ROOMAIR-U-ZAS  

UNTERFLURLÜFTUNGSGERÄT MIT ZU- UND ABLUFTFUNKTION, SEKUNDÄRLUFTBEIMISCHUNG, UMSCHALTMÖGLICHKEIT AUF SEKUNDÄRLUFTBETRIEB, WRG SOWIE HEIZ- UND KÜHLFUNKTION

Anschlussfertige dezentrale Lüftungsgeräte zur komfortablen Raumtemperierung sowie Be- und Entlüftung von Räumen

  • Akustisch optimierte EC-Ventilatoren mit niedriger spezifischer Ventilatorleistung, nach DIN EN 16798-3, SFP = 0
  • Kreuzstrom-Wärmerückgewinner (Rückwärmzahl 60 %)
  • Mit hocheffizientem 2- oder 4-Leiter-Wärmeübertrager zum Heizen und/oder Kühlen
  • Feste Wasseranschlüsse am Gerätegehäuse (optional)
  • Anschluss des Wärmeübertragers wahlweise raumseitig rechts oder links
  • Reduzierung der Feinstaub- und Pollenbelastung durch integrierte Luftfilter gemäß VDI 6022 – Filterklassen ISO ePM1 65 %/ISO Coarse 60 %
  • Komplette Wartung und Austausch aller Komponenten nach Entfernen des Lüftungsgitters möglich
  • Ganzjährig kondensatfreier Betrieb
  • Motorisierte Absperrklappen, stromlos geschlossen
  • Motorisierte Sekundärluftbeimischung zur Erhöhung der thermischen Leistung
  • Einbau in Systemboden (Hohlraum- oder Doppelboden)
  • Speziell auf dezentrale Lüftungsgeräte ausgelegte und modular aufgebaute Regelung FSL-CONTROL III
  • Reglerbox der Einzelraumregelung nach Entfernen des Lüftungsgitters erreichbar
  • Besonders geringe Höhe von nur 150 mm im Bereich des Systembodens (Hohlraum- oder Doppelboden)
  • Projektspezifische Höhe der Oberkante des Lüftungsgitters auf Kundenwunsch anpassbar

Technische Information

  • FUNKTION
  • TECHNISCHE DATEN
  • BESTELLSCHLÜSSEL

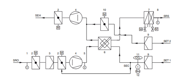
Unterflurgerät zur dezentralen Lüftung für den Einbau in den Systemboden (Hohlraum- oder Doppelboden). Das Gehäuse besteht aus lackiertem Stahlblech und ist schall- und wärmegedämmt. Die Luftöffnung im Fußboden wird entweder mit einem Lineargitter oder Rollrost abgedeckt. Die Außenluft wird von einem EC-Radialventilator angesaugt und strömt durch die motorisierte Absperrklappe und den Feinstaubfilter. Dann strömt die Außenluft durch den rekuperativen Kreuzstrom-Wärmerückgewinner. Dort wird ein Teil der Abluftwärme auf den Außenluftstrom übertragen. Die gefilterte und erwärmte Außenluft wird anschließend den Räumen als Zuluft zugeführt. Bevor die Zuluft quellluftartig in den Raum strömt, wird sie bei Bedarf im Wärmeübertrager noch geheizt bzw. gekühlt. Die Abluft strömt durch den Abluftfilter, bevor sie durch die WRG, den Abluftventilator und die motorisierte Absperrklappe als Fortluft ins Freie gefördert wird. Bei ausreichend guter Raumluftqualität schaltet die FSL-CONTROL III Regelung durch Schließen der Außenluftklappen in den energetisch sinnvollen Sekundärluftbetrieb. Die Regelung vergleicht dabei die Sollwerte der Raumluftqualität mit den am CO2-Sensor gemessenen Istwerten und schaltet automatisch zwischen Außenluft- und Sekundärluftbetrieb um. Zum Brandschutz, Frostschutz und zur Vermeidung von Zugluft werden bei Stromausfall die Außenluft- und Fortluftklappe zugefahren. Hierzu besitzen die Stellantriebe einen Energiespeicher. Die Zuluft strömt mit mittlerer Geschwindigkeit fassadennah in den Raum. Durch die Induktionswirkung werden die Geschwindigkeiten bereits kurz nach dem Lufteintritt in den Raum abgebaut. Dadurch breitet sich die Zuluft im Kühlfall über die gesamte Bodenfläche quellluftartig aus. An Wärmequellen wie Menschen und Geräten bildet sich durch natürliche Konvektion eine Auftriebsströmung, so dass primär in diesen Bereichen die Luft ausgetauscht wird.

Breite

1100 mm (2-Leiter)/1150 mm (4-Leiter)

Höhe150 mm unter dem Systemboden (Hohlraum- oder Doppelboden), Oberkante Lüftungsgitter projektspezifisch, mindestens 196 mm
Tiefe860 mm
Tiefe Lüftungsgitter340 mm
Außenluftvolumenstrom

0 – 120 m³/h

Zuluftvolumenstrom

60 – 200 m³/h

Nennvolumenstrom

120 m³/h

Schallleistungspegel

28 – 47 dB(A)

Wärmerückgewinnungsgrad

60 %

maximaler Betriebsdruck wasserseitig6 bar
maximale Betriebstemperatur75 °C
Versorgungsspannung1~ 230 V AC, ±10 %, 50/60 Hz
Anschlussleistung

326 VA

Gewicht

75 kg

,

RA-U-ZAS41 / AR / 1150 × 196 × 830 / C3MAT / MR / C / Z / A / HVER0,04/KVER0,40
||||||||||||||||||
123456789101112131415161718

1 Serie
RA-U-ZAS dezentrales Unterflurlüftungsgerät X-CUBE/ROOMAIR-U-ZAS

2 Wärmeübertrager
2 2-Leiter
4 4-Leiter

3 Wärmeübertragerausführung
Ausführung angeben (technische Auslegung mit TROX EPF oder TROX CONFIGURATOR)

4 Ausführung
AR Wasseranschluss raumseitig rechts
AL Wasseranschluss raumseitig links

5 Nenngröße [mm]
Breite × Höhe × Tiefe
1100 × 196 × 830 (nur mit Wärmeübertrager 2)
1150 × 196 × 830 (nur mit Wärmeübertrager 4)

6 Regelung
C3 mit FSL-CONTROL III

7 Regelungsfunktion
MA Master
SL Slave

8 Echtzeituhr
Nur mit Regelungsfunktion MA
Keine Eintragung: ohne Echtzeituhr
T mit Echtzeituhr

9 Schnittstelle
Keine Eintragung: ohne Schnittstelle
MT mit Modbus TCP
MR mit Modbus RTU (nur mit Regelungsfunktion MA)
BI mit BACnet IP
BM mit BACnet MS/TP (nur mit Regelungsfunktion MA)

10 Luftqualitätsfühler
Nur mit Regelungsfunktion MA
Keine Eintragung: ohne Luftqualitätsfühler
C mit CO2-Sensor
V mit VOC-Sensor

11 Zulufttemperaturfühler
Z mit Zulufttemperaturfühler

12 Außenlufttemperaturfühler
Nur mit Regelungsfunktion MA
Keine Eintragung: ohne Außenlufttemperaturfühler
A mit Außenlufttemperaturfühler

13 Heizventil
HVE mit elektromotorischem Antrieb

14 Rücklaufverschraubung Heizkreis
R mit Rücklaufverschraubung

15 Kvs-Wert Heizventil
0,25 (Durchgangsventil)
0,40 (Durchgangsventil)
0,63 (Durchgangsventil)
1,00 (Durchgangsventil)
F0,50 (druckunabhängiges Regelventil)

16 Kühlventil
Nur mit Wärmeübertrager 4
KVE mit elektromotorischem Antrieb

17 Rücklaufverschraubung Kühlkreis
Nur mit Wärmeübertrager 4
R mit Rücklaufverschraubung

18 Kvs-Wert Kühlventil
Nur mit Wärmeübertrager 4
0,25 (Durchgangsventil)
0,40 (Durchgangsventil)
0,63 (Durchgangsventil)
1,00 (Durchgangsventil)
F0,50 (druckunabhängiges Regelventil)

 

Downloads

Produktinfos

Zertifikate

Betriebsanleitungen

production {"x-frame-options"=>"SAMEORIGIN", "x-xss-protection"=>"1; mode=block", "x-content-type-options"=>"nosniff", "x-download-options"=>"noopen", "x-permitted-cross-domain-policies"=>"none", "referrer-policy"=>"strict-origin-when-cross-origin", "strict-transport-security"=>"max-age=31536000; includeSubDomains", "content-type"=>"text/html; charset=utf-8"}

Seite teilen

Diese Seite weiterempfehlen

Hier haben Sie die Möglichkeit diese Seite als Link weiter zu empfehlen.

Mit Stern (*) markierte Felder sind Pflichtfelder.

Kontakt

Vielen dank für Ihre Nachricht!

Ihre Empfehlung wurde verschickt und sollte jeden Moment beim Empfänger eingehen.

Kontakt

Wir sind für Sie da

Bitte spezifizieren Sie das Thema Ihrer Anfrage und Ihre Kontaktdaten.
Tel.: +49 (0)2845 / 202-0 | Fax: +49 (0)2845/202-265

Mit Stern (*) markierte Felder sind Pflichtfelder.

Kontakt

Vielen Dank für Ihre Nachricht!

Ihre Nachricht in ist unserem Service Center eingegangen und wird bearbeitet.
Unsere Abteilung für Service-Anfragen wird sich in Kürze mit Ihnen in Verbindung setzten.
Für allgemeine Fragen zu Produkten und Services erreichen Sie uns auch unter:
Tel.: +49 (0)2845 / 202-0 | Fax: +49 (0)2845/202-265

Kontakt

Wir sind für Sie da

Bitte spezifizieren Sie das Thema Ihrer Anfrage und Ihre Kontaktdaten.
Tel.: +49 (0)2845 / 202-0 | Fax: +49 (0)2845/202-265

Anhang (max. 10MB)

Mit Stern (*) markierte Felder sind Pflichtfelder.

Kontakt

Vielen Dank für Ihre Nachricht!

Ihre Nachricht in ist unserem Service Center eingegangen und wird bearbeitet.
Unsere Abteilung für Service-Anfragen wird sich in Kürze mit Ihnen in Verbindung setzten.
Für allgemeine Fragen zu Produkten und Services erreichen Sie uns auch unter:
Tel.: +49 (0)2845 / 202-0 | Fax: +49 (0)2845/202-265