AK-Uni_img_01psd.png
AK-Uni-004-ZL-M-L

For square diffuser faces

VDW_Q_img_14V1psd.psd.link

Square diffuser face with square plenum box

AK-Uni_img_03psd.png
AK-Uni-016-ZL-M-L

For circular diffuser faces

AK-Uni_img_01psd.png
VDW_Q_img_14V1psd.psd.link
AK-Uni_img_03psd.png

AK-UNI 

Square plenum box for universal connection of ceiling diffusers type VDW, TDV, RFD, FD, TDF, TID, ADLQ, DLQ, ADLR, DLQL


 

Standard plenum box for supply and extract air for square diffuser faces and for all type TDV, RFD, TID, ADLQ, DLQ, ADLR and DLQL diffusers. 

  • Plenum box made of galvanised sheet steel
  • For all types of ceiling systems
  • Horizontal duct connection
  • Permanent equalising element that ensures an optimum airflow through the diffuser face (supply air variant)
  • For comfort zones and industrial zones

 

Optional equipment and accessories

  • Damper unit for volume flow rate balancing
  • Pressure tap and cord-operated damper blade for volume flow rate balancing
  • Lip seal

 

 

 


General information

Application

  • Plenum boxes for the connection of square and to some extent circular diffuser faces to circular ducts, suitable for supply air or extract air applications
  • For diffuser faces of types VDW, TDV, RFD, FD, TDF, TID, ADLQ, DLQ, ADLR, DLQL, with central screw fixing
  • For variable and constant volume flows


Special features

  • Plenum box made of galvanised sheet steel
  • For all types of ceiling systems
  • For square and to some extent circular diffuser faces
  • Horizontal duct connection
  • For comfort zones and industrial zones



Variants

  • AK-Uni-...-ZL: Supply air
  • AK-Uni-...-AL: Extract air



Parts and characteristics

  • Casing with spigot and cross bar for fixing the diffuser face
  • Permanent equalising element that ensures a uniform airflow through the diffuser face (supply air variant)
  • Simple installation of the diffuser face due to central fixing screw with decorative cap



Attachments

  • M: Damper element for volume flow rate balancing
  • MN: Pressure tap and cord-operated damper blade for volume flow rate balancing with the diffuser face in place



Accessories

  • Lip seal



Construction features

  • Spigot suitable for circular ducts to EN 1506 or EN 13180
  • Spigot with groove for lip seal (if accessory lip seal has been ordered)



Materials and surfaces

  • Casing, cross bar and spigot made of galvanised sheet steel
  • Equalising element made of galvanised, perforated sheet steel
  • Lip seal made of Evoprene



Maintenance

  • Low-maintenance as construction and materials are not subject to wear
  • Inspection and cleaning to VDI 6022


Description

Parts and characteristics

  • Casing with spigot and cross bar for fixing the diffuser face
  • Permanent equalising element that ensures a uniform airflow through the diffuser face (supply air variant)
  • Simple installation of the diffuser face due to central fixing screw with decorative cap



Accessories

  • Lip seal



Construction features

  • Spigot suitable for circular ducts to EN 1506 or EN 13180
  • Spigot with groove for lip seal (if accessory lip seal has been ordered)



Variants

  • AK-Uni-...-ZL: Supply air
  • AK-Uni-...-AL: Extract air

Technical information

Function, Technical data, Specification text, Order code

  • Function
  • TECHNICAL DATA
  • SPECIFICATION TEXT
  • ORDER CODE
Schematic illustration of square plenum box with horizontal spigot AK-Uni_gc_16ai.png

A Plenum box for square diffuser faces

B Plenum box for circular diffuser faces

① Plenum box

② Central fixing screw

③ Cross bar

④ Suspension hole

⑤ Spigot

Optional

⑥ Lip seal

⑦ Damper blade for volume flow rate balancing

⑧ Pressure tap

⑨ Green cord for closing the damper blade

⑩ White cord for opening the damper blade

⑪ Measuring tube

⑫ Text label indicating plenum box variant


Plenum boxes are used to connect ceiling diffusers to circular ducts and to fix the diffuser face. Type AK-Uni plenum boxes are fitted with an equalising element that ensures that the air is evenly distributed to the room. A damper blade (optional) simplifies volume flow rate balancing for commissioning. Pressure tap and cord-operated damper blade (optional) allow for volume flow rate balancing with the diffuser face in place.

 



The following technical data applies for supply air. The K values can be used to calculate the corresponding reference pressure drops for the volume flow rate to be set. 

Supply air
Plenum boxes for square diffuser faces

 

Standard combinations

Variant

Diffuser face variant

VDW-Q

TDV-SA-Q

FD-Q

TDF-SA-Q

Nominal size

K value

Nominal size

K value

Nominal size

K value

Nominal size

K value

AK-Uni-001

300 × 8

36.9

300

47.7

300

36.5

300

47.7

AK-Uni-002

400 × 16

70.7

400

82.1

400

70.7

400

82.1

AK-Uni-003

500 × 24

87.1

500

100.5

500

92.7

500

100.5

AK-Uni-004

600 × 24
625 × 24

125.8

600 625

145.5

600 625

125.8

600 625

145.5

AK-Uni-005

600 × 48

154.8

158.9

AK-Uni-006

625 × 54

158.9

AK-Uni-007

825 × 72

262.2


 

Standard combinations

Variant

Diffuser face variant

ADD-Q

ADLQ DLQ

ADLR-Q

Nominal size

K value

Nominal size

K value

Nominal size

K value

AK-Uni-002

400

108.2

AK-Uni-008

250

36.2

AK-Uni-009

300

53.4

AK-Uni-011

600
625

260.0

AK-Uni-010

500

173.7

AK-Uni-019

250

27.4

1

29.8

AK-Uni-020

300

52.2

2

53.3

AK-Uni-021

400

79.9

3

86.2

AK-Uni-022

450

128.7

4

128.7

AK-Uni-023

500

143.4

5

150.6

AK-Uni-024

6

206.8

AK-Uni-025

600 625

245.7

7

231.9

AK-Uni-026

8

254.7

 


Alternative combinations

Variant

Diffuser face variant

VDW-Q

FD-Q

ADLQ DLQ

Nominal size

K value

Nominal size

K value

Nominal size

K value

AK-Uni-004

600<
625<

182.4

AK-Uni-005

600 × 24 625 × 24

125.8

600 625

125.8

600< 625<

182.4

AK-Uni-006

625 × 24

125.8

625

125.8

625<

182.4

AK-Uni-010

500 × 24>

104.1

500>

103.5

AK-Uni-011

600 × 24> 625 × 24>

141.9

600> 625>

141.9

AK-Uni-012

600 × 24> 625 × 24>

141.9

600< 625<

141.9

600 625

260.0

AK-Uni-012

600 × 48>

182.0

AK-Uni-027

625 × 24>

141.9

625>

141.9

625

260.0

AK-Uni-027

625 × 54>

191.4

82.1

< Spigot smaller than in the case of the standard plenum box
< Spigot larger than in the case of the standard plenum box

 


Plenum boxes for circular diffuser faces

Standard combinations

Variant

Diffuser face variant

TDV-SA-R

ADLR

Nominal size

K value

Nominal size

K value

AK-Uni-013

300

47.7

AK-Uni-014

400

82.1

AK-Uni-015

500

100.5

AK-Uni-016

600 625

145.5

AK-Uni-019

1

29.8

AK-Uni-020

2

53.3

AK-Uni-021

3

86.2

AK-Uni-022

4

128.7

AK-Uni-023

5

150.6

AK-Uni-024

6

206.8

AK-Uni-025

7

231.9

AK-Uni-026

8

254.7



Alternative combinations

Variant

Diffuser face variant

VDW-R

FD-R

TDF-SA-R

ADLR

Nominal size

K value

Nominal size

K value

Nominal size

K value

Nominal size

K value

AK-Uni-013

300 × 8

33.8

300

36.5

300

47.7

2

53.3

AK-Uni-014

400 × 16

70.7

400

70.7

400

82.1

4>

112.6

AK-Uni-015

500 × 24

83.0

500

94.4

500

100.5

AK-Uni-016

600 × 24 625 × 24

124.3

600 625

124.3

600 625

145.5

7<

184.1

AK-Uni-017

600 × 48

158.3

AK-Uni-017

600 × 24 625 × 24

124.3

600 625

124.3

7

184.1

AK-Uni-018

625 × 24

122.5

625

122.5

8<

183.9

AK-Uni-022

400 × 16>

67.1

400>

67.1

AK-Uni-024

500 × 24>

101.3

500>

111.8

AK-Uni-025

600 × 24> 625 × 24>

131.4

600> 625>

131.4

AK-Uni-025

600 × 48>

186.0

AK-Uni-026

625 × 24>

129.9

625>

129.9


< Spigot smaller than in the case of the standard plenum box
< Spigot larger than in the case of the standard plenum box



Plenum boxes for Type RFD diffuser faces

Standard combinations

Variant

Nominal size

RFD without discharge nozzle

RFD with discharge nozzle

K value

AK-Uni-028

125

12.4

17.9

AK-Uni-029

160

18.7

26.3

AK-Uni-030

200

25.5

43.9

AK-Uni-031

250

46.4

68.4

AK-Uni-032

315

82.0

103.0

AK-Uni-033

400

124.3

134.4


 

This specification text describes the general properties of the product. Texts for variants can be generated with our Easy Product Finder design program.

Specification text

Square plenum boxes for the connection of square and to some extent circular diffuser faces to circular ducts, suitable for supply air or extract air applications. For installation into all kinds of suspended ceilings. Ready-to-install component which consists of the plenum box, permanent equalising element (only supply air variants), side entry spigot, cross bar, and suspension holes. The diffuser face is fixed to the cross bar with a central screw, concealed by a decorative cap. Spigot suitable for ducts to EN 1506 or EN 13180.


Special features

  • Plenum box made of galvanised sheet steel
  • For all types of ceiling systems
  • For square and to some extent circular diffuser faces
  • Horizontal duct connection
  • For comfort zones and industrial zones



Materials and surfaces

  • Casing, cross bar and spigot made of galvanised sheet steel
  • Equalising element made of galvanised, perforated sheet steel
  • Lip seal made of Evoprene


AK-Uni002ZLML
|||||
12345

1 Type
AK-Uni Plenum box
 
2 Variant
001 – 033
 
3 System
ZL Supply air
AL Extract air
 
4 Damper blade for volume flow rate balancing
No entry required: None
M With
MN With cord and pressure tap
 
5 Accessories
No entry required: None
L with lip seal


Order example: AK-Uni-003-ZL-MN-L
Variant003
Air conditioning systemSupply air
Damper unit for volume flow rate balancingVolume flow rate adjustment with cords and pressure tap
AccessoriesWith lip seal

Variants, Dimensions and weight, Project-specific solutions, Product details

  • VARIANTS
  • DIMENSIONS AND WEIGHT
  • PROJECT-SPECIFIC SOLUTIONS
  • PRODUCT DETAILS

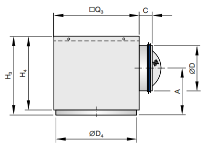
AK-Uni for square diffuser faces

Variant

ØD

□Q3

H3

A

C

m

mm

kg

AK-Uni-001

158

290

250

139

50

3.0

AK-Uni-002

198

372

295

164

50

4.5

AK-Uni-003

198

476

295

164

50

6.0

AK-Uni-004

248

567

345

199

48

8.2

AK-Uni-005

248

590

345

189

48

8.6

AK-Uni-006

248

615

345

189

48

9.0

AK-Uni-007

313

806

410

222

50

16.0

AK-Uni-008

158

216

250

139

50

2.2

AK-Uni-009

158

266

250

139

50

2.7

AK-Uni-010

248

476

345

189

48

6.6

AK-Uni-011

313

567

410

222

50

9.2

AK-Uni-012

313

590

410

222

50

9.6

AK-Uni-027

313

615

410

222

50

10.2

Weights apply to the supply air variant.



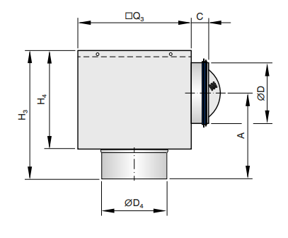
AK-Uni for circular diffuser faces

Variant

□Q3

H3

ØD4

H4

ØD

A

C

m

mm

kg

AK-Uni-013

290

285

278

250

158

174

50

3.4

AK-Uni-014

372

330

362

295

198

199

50

5.1

AK-Uni-015

476

330

460

295

198

199

50

6.9

AK-Uni-016

567

380

557

345

248

234

48

9.3

AK-Uni-017

590

380

578

345

248

224

48

9.7

AK-Uni-018

615

380

590

345

248

224

48

10.3

AK-Uni-019

266

255

202

220

123

161

48

2.9

AK-Uni-020

290

285

258

250

158

174

50

3.5

AK-Uni-021

372

330

314

295

198

199

50

5.2

AK-Uni-022

476

380

362

345

248

224

48

7.8

AK-Uni-023

476

380

426

345

248

224

48

7.6

AK-Uni-024

567

445

482

410

313

257

50

10.5

AK-Uni-025

590

445

578

410

313

257

50

10.8

AK-Uni-026

615

445

590

410

313

257

50

11.4


Weights apply to the supply air variant.


AK-Uni for type RFD and TID diffuser faces

Variant

□Q3

H3

ØD4

H4

ØD

A

C

m

mm

kg

AK-Uni-028

216

255

125

195

98

170

50

2.5

AK-Uni-029

266

280

160

220

123

182

48

3.0

AK-Uni-030

290

310

200

250

158

194

50

3.5

AK-Uni-031

476

355

250

295

198

219

50

7.5

AK-Uni-032

567

395

315

345

248

244

48

10.0

AK-Uni-033

615

470

400

410

313

277

50

12.0

AK_Uni-2_gc_01png.png

Project-specific solutions

For low construction heights in the suspended ceiling, plenum boxes with 2 smaller spigots are also available, which have a lower installation height


Commissioning

Volume flow rate balancing

When several diffusers are connected to just one volume flow controller, it may be necessary to balance the volume flow rates.

  • Ceiling diffusers with square plenum box and damper unit (variant -M): The diffuser face can be removed to access the damper unit; the damper unit can then be set to any position between 0 and 90°
  • Ceiling diffusers with square plenum box, damper unit and pressure tap (variant -MN): The diffuser face need not be removed as the flow adjustment damper can be set with 2 cords (white and green).

Volume flow rate measurement

Ceiling diffusers with square plenum box, damper unit and pressure tap (variant -MN) enable volume flow rate balancing with the diffuser face in place.

  • Connect the measuring tube to the digital manometer
  • Read the effective pressure
  • Read the volume flow rate off the characteristic or calculate it
  • If necessary, adjust the damper blade position with the cords

A characteristic is included with each AK-Uni plenum box.

These are only schematic diagrams to illustrate installation details.


Downloads

product information

certificates

miscellaneous

production {"x-frame-options"=>"SAMEORIGIN", "x-xss-protection"=>"1; mode=block", "x-content-type-options"=>"nosniff", "x-download-options"=>"noopen", "x-permitted-cross-domain-policies"=>"none", "referrer-policy"=>"strict-origin-when-cross-origin", "strict-transport-security"=>"max-age=31536000; includeSubDomains", "content-type"=>"text/html; charset=utf-8"}

Share page

Recommend this page

Recommend this page by sending a link by mail.

Fields marked with an (*) are required fields.

Share page

Thank you for your recommendation!

Your recommendation has been sent and should arrive shortly.

Contact

We are here for you

Please specify your message and type of request
Tel.: +49 (0)2845 / 202-0 | Fax: +49 (0)2845/202-265

Fields marked with an (*) are required fields.

Contact

Thank you for your message!

Your message is send and will be processed shortly.
Our department for Service-Requests will contact you asap.
For general question regarding products or services you can also call:
Tel.: +49 (0)2845 / 202-0 | Fax: +49 (0)2845/202-265

Contact

We are here for you

Please specify your message and type of request
Tel.: +49 (0)2845 / 202-0 | Fax: +49 (0)2845/202-265

Attachment (max. 10MB)

Fields marked with an (*) are required fields.

Contact

Thank you for your message!

Your message is send and will be processed shortly.
Our department for Service-Requests will contact you asap.
For general question regarding products or services you can also call:
Tel.: +49 (0)2845 / 202-0 | Fax: +49 (0)2845/202-265