X-CUBE ROOMAIR-V-ZAB/SEK-HE

Conforms to VDI 6022  

Kreuz-GegenstromW‰rmer¸ckgewinner

Revision Filter und Kreuz-Gegenstrom Wärmerückgewinner

Wasser- und Elektroanschluss

Optionale Regelung FSLCONTROL III

X-CUBE ROOMAIR-V-ZAB/SEK-HE    

ZU- UND ABLUFTGERÄT MIT UMSCHALTMÖGLICHKEIT AUF SEKUNDÄRLUFTBETRIEB, INKLUSIVE WÄRMERÜCKGEWINNUNG (WRG) UND WÄRMEÜBERTRAGER ZUM VERTIKALEN EINBAU VOR DER BRÜSTUNG

Anschlussfertiges dezentrales Lüftungsgerät zur komfortablen Raumtemperierung und Belüftung von Räumen
  • Akustisch optimierte EC-Ventilatoren mit niedriger spezifischer Ventilatorleistung, nach DIN EN 16798-3 SFP = 0
  • Kreuz-Gegenstrom-Wärmerückgewinner (Rückwärmzahl 83 %)
  • Mit hocheffizientem 2- oder 4-Leiter-Wärmeübertrager zum Heizen und/oder Kühlen
  • Spiegelbildliche Ausführung möglich
  • Kondensatwanne mit Kondensatanschluss
  • Ganzjährige Nutzung der WRG möglich (Kondensatanschluss bauseits notwendig)
  • Sehr geringe Gerätetiefe von nur 260 mm
  • Gerätegrundfläche ~ 0,16 m²
  • Reduzierung der Feinstaub- und Pollenbelastung durch integrierte Luftfilter gemäß VDI 6022 3 Filterklasse ISO ePM1 65 %/ISO Coarse 50 %
  • Servicefreundlicher Wartungsdeckel für Filterwechsel und Reinigung der WRG
  • Motorisierte Absperrklappen, stromlos geschlossen
  • Automatische Umschaltung auf Sekundärluftbetrieb (luftqualitätsabhängig)
Optionale Ausstattung und Zubehör
  • Speziell auf dezentrale Lüftungsgeräte ausgelegte und modular aufgebaute Regelung FSL-CONTROL III
  • Holzverkleidung als Raumlösung in diversen Farben inklusive TROX Lüftungsgittern für Zu- und Abluft (Selbstbausatz)
Produkt in Warenkorb gelegt

Technische Information

Funktion, Technische Daten, Schnellauslegung, Ausschreibungstext, Bestellschlüssel

  • Funktion
  • TECHNISCHE DATEN
  • SCHNELLAUSLEGUNG
  • AUSSCHREIBUNGSTEXT
  • BESTELLSCHLÜSSEL
Breite604 mm
Höhe2200 mm
Tiefe260 mm
Volumenstrom75, 90, 120 m³/h (Boost 150 m³/h)
Nennvolumenstrom120 m³/h
Schalldruckpegel bei Nennvolumenstrom und 8 dB Raumdämpfung

33 dB(A)

Schallleistungspegel

30 – 45 dB(A)

Wärmerückgewinnungsgrad83 %
maximaler Betriebsdruck wasserseitig6 bar
maximale Betriebstemperatur75 °C
Versorgungsspannung230 V AC ±10 %, 50/60 Hz
Anschlussleistung

275 VA

Gewicht

70 kg

X-CUBE/ROOMAIR-V-ZAB/SEK-HE (Auslegungsbeispiel 4-Leiter-Ausführung isotherm)

Zuluftvolumenstromm³/h7590120150

Gesamtkühlleistung

W220260360450

Raumkühlleistung

W200241321401
Temperatur der Luft im Gerät°C26,726,726,927

relative Feuchte

%54,354,353,753,4

Wassergehalt der trockenen Luft

g/kg11,911,911,911,9
Zulufttemperatur°C18181818
Kondensatg/h

0

0

0

0

Kaltwassermengel/h5080130180
Wassereintrittstemperatur°C16161616
Wasseraustrittstemperatur°C19,718,818,418,1
Druckverlust wasserseitigkPa1,53,47,913,9

Gesamtheizleistung

W140170240340

Raumheizleistung

W787810070
Temperatur der Luft im Gerät°C18,418,117,615,7
Zulufttemperatur°C24,123,623,522,4
Kondensatg/h300300400600
Warmwassermengel/h20254060
Wassereintrittstemperatur°C35353535
Wasseraustrittstemperatur°C28,829,229,830,1
Druckverlust wasserseitigkPa0,50,61,22,5
Schallleistungspegel Lw,adB(A)30354145

Schalldruckpegel inklusive 8 dB Raumdämpfung

dB(A)22273337

Wirkleistung Pel

W12141926

Luftseitige Daten Kühlbetrieb:


  • Temperatur/relative Feuchte Außenluft: 32 °C/40 %
  • Temperatur/relative Feuchte Raumluft: 26 °C/50 %
     

Luftseitige Daten Heizbetrieb:


  • Temperatur/relative Feuchte Außenluft: -12 °C/90 %
  • Temperatur/relative Feuchte Raumluft: 21 °C/40 %

X-CUBE/ROOMAIR-V-ZAB/SEK-HE (Auslegungsbeispiel 4-Leiter-Ausführung aktives heizen)

Zuluftvolumenstromm³/h7590120150

Gesamtkühlleistung

W220260360450

Raumkühlleistung

W200241321401
Temperatur der Luft im Gerät°C26,726,726,927

relative Feuchte

%54,354,353,753,4

Wassergehalt der trockenen Luft

g/kg11,911,911,911,9
Zulufttemperatur°C18181818
Kondensatg/h
Kaltwassermengel/h5080130180
Wassereintrittstemperatur°C16161616
Wasseraustrittstemperatur°C19,718,818,418,1
Druckverlust wasserseitigkPa1,53,47,913,9

Gesamtheizleistung

W480620790990

Raumheizleistung

W411523645696
Temperatur der Luft im Gerät°C18,418,117,615,7
Zulufttemperatur°C37,438,437,134,9
Kondensatg/h300300400600
Warmwassermengel/h4080130180
Wassereintrittstemperatur°C60606060
Wasseraustrittstemperatur°C49,553,354,755,2
Druckverlust wasserseitigkPa1,13,68,414,8
Schallleistungspegel Lw,adB(A)30354145

Schalldruckpegel inklusive 8 dB Raumdämpfung

dB(A)22273337

Wirkleistung Pel

W12141926

Luftseitige Daten Kühlbetrieb:


  • Temperatur/relative Feuchte Außenluft: 32 °C/40 %
  • Temperatur/relative Feuchte Raumluft: 26 °C/50 %
     

Luftseitige Daten Heizbetrieb:


  • Temperatur/relative Feuchte Außenluft: -12 °C/90 %
  • Temperatur/relative Feuchte Raumluft: 21 °C/40 %

X-CUBE/ROOMAIR-V-ZAB/SEK-HE-4-KR/604x2200x260/C3

Brüstungsgeräte für die Montage vertikal an der Fassade



Bitte beachten: Die beschriebene vertikale dezentrale Lüftungsgerätevariante ist mit einer im Gerät integrierten Einzelraumregelung für autarken Raumbetrieb ausgestattet. Die gelieferten Regler beinhalten die Parameter der Standardregelung für einen Betrieb gemäß unserer Regelungsbeschreibung.



X-CUBE/ROOMAIR-V-ZAB/SEK-HE mit selbsttätiger Sekundärluftumschaltfunktion – Mastergerät



Vertikales dezentrales Lüftungsgerät TROX X-CUBE/ROOMAIR-V-ZAB/SEK-HE mit Zu- und Abluftfunktion und Umschaltmöglichkeit auf Sekundärluftbetrieb (luftqualitätsabhängig), WRG sowie Heiz- und Kühlfunktion zur Montage an bauseitiger Fassadenkonstruktion:



  • Gerätegehäuse aus verzinktem Stahlblech, Deckel und Blechverbindungen über Gewindetiefzüge und Edelstahlkreuzschlitzschrauben, alle notwendigen internen Luftkanalführungen abgedichtet und ausgekleidet, interne Elektrokabeldurchführungen abgedichtet, Sichtflächen pulverbeschichtet (RAL 9005, tiefschwarz)
  • Zur bauseitigen Befestigung des Gerätes:
    • An der Geräteoberseite: L-Winkel mit Langlöchern
    • Im unteren Gerätebereich: Langlöcher unterhalb des Wärmeübertragers
  • Raumseitig im oberen Bereich Öffnung für die Abluft- und Sekundärluftansaugung, ohne Dichtband, Dichtung zur Brüstungsverkleidung durch geschlossenporiges Dichtband zur Luftkurzschlussvermeidung (Dichtband nicht Lieferumfang TROX) ist erforderlich
  • Schall- und wärmedämmende Auskleidung auf Saug- und Druckseite aus glasseidenkaschierter Mineralwolle (Baustoffklasse A, nicht brennbar nach DIN 4102, T1), abriebfest bis Luftgeschwindigkeiten von 20 m/s, oder geschlossenporigem Dämmstoff
  • Das Gerät entspricht den hygienischen Anforderungen nach VDI 6022
  • Höhenverstellbare Stellfüße, +40 mm, zum Ausgleich von Rohbautoleranzen
  • Anschluss an die bauseitigen Außenluft- und Fortluftöffnungen der Fassade durch umlaufendes, geschlossenporiges Dichtband (40 mm breit, 10 mm stark) auf der Geräterückseite. Der Ansaug- und Ausblaswiderstand der bauseitigen Konstruktion sollte bei Nennvolumenstrom 20 Pa nicht überschreiten. Der Wetterschutz muss fassadenseitig erbracht werden und dient zum Gerätschutz (Wetterschutz nicht im Lieferumfang TROX)
  • Einsatz von 2 energiesparenden EC-Radialgebläsen, Zu- und Abluftventilator eingestuft in Kategorie SFP 0 (< 300 W/(m³/s)) nach DIN EN 16798-3:2017-11
  • Geeignet für 4 Drehzahlstufen (z. B. 60, 90, 120 und 150 m³/h), Ansteuerung über geräteinterne Einzelraumregelung, Volumenstromstufenkorrektur durch Anpassung der Steuerspannung nachträglich möglich
  • Erfüllt alle Anforderungen der EU-Verordnung 1253/2014 (Erp-Richtlinie)
  • Geringer Schallleistungspegel im Zu-/Abluftbetrieb und Sekundärluftbetrieb
  • Integrierter rekuperativer, Kreuz-Gegenstrom-Wärmerückgewinner, Rückwärmzahl > 82 %, inklusive Kondensatwanne und Ableitung in die Kondensatwanne des Wärmeübertragers. Zugänglichkeit zu Wartungszwecken über separate Servicedeckel ohne Entfernen des Gerätedeckels möglich
  • Mit elektromotorischem Bypass, der den Luftvolumenstrom an der WRG vorbeiführt, Antrieb 24 V (stetig), 0 – 100 %, Ansteuerung über geräteinterne Einzelraumregelung
  • Motorische Absperrklappen in Außen-/und Fortluftbereich, stromlos geschlossen im inaktiven Zustand über Energiespeicher, Antrieb 230 V, Auf – Zu, Ansteuerung über geräteinterne Einzelraumregelung
  • Automatische Umschaltung auf Sekundärluftbetrieb (nur in Verbindung mit Luftqualitätssensor) erfolgt, sofern die Raumluftqualität (gemessen am z. B. geräteinternen CO2-Sensor) innerhalb der zuvor definierten Grenzwerte liegt. Dazu werden die Außenluftklappen zugefahren, die selbsttätige Sekundärluftklappe öffnet sich und der Abluftventilator wird abgeschaltet
  • Im Gerät enthaltene elektrische Komponenten komplett verdrahtet mit FSL-CONTROL III, Regelkomponenten werden im Gerät integriert. Kabel zum bauseitigen Anschluss (Anschluss nicht Lieferumfang TROX) der Spannungsversorgung (L, N, PE) mit Aderendhülsen ca. 1 m aus dem Gerät herausgeführt: als Übergabestelle zum bauseitigen Gewerk Elektro:
    • Spannungsversorgung (230 V): 3 Adern, 3 × 1,5 mm² (L, N, PE)
  • Anschlussmöglichkeit für Buskommunikation (optional), Anschluss Raumbediengerät etc. nach Öffnung des Kundenbereichs der Regelung. Als Übergabestelle zum bauseitigen Gewerk Messen/Steuern/Regeln:
    • Reihenklemmen Typ Wago 260 für den bauseitigen Anschluss von
      • Digitalen Eingängen DI
      • Digitalen Ausgängen DO
      • Master-Slave-Verbindung RS485
      • Optionale Integration in MBE/GA via RS485 (Modbus/BACnet)
      • Raumbediengerät
      • RJ45-Buchse als Servicezugang zur Bedienoberfläche
      • Optionale Integration in eine bauseitige MBE/GA via Ethernet (Modbus/BACnet)
  • Folgende Fühler werden zur Steuerung der Einzelraumregelung im Gerät angeordnet (die Raum-Ist-Temperatur wird am Raumbediengerät erfasst oder (optional) über die GA übermittelt):
    • Raumluftqualitätssensor CO2
    • Zulufttemperaturerfassung nach dem Wärmeübertrager
    • Außenlufttemperaturerfassung in der Außenluftansaugung
  • 2- oder 4-Leiter-Aluminium-Kupferrohr-Wärmeübertrager zur Lufterwärmung oder Luftkühlung, abgestimmt auf die projektspezifischen Daten, zur Reinigung leicht abnehmbar (entscheidend ist die bauseitige Anbindung an die Hauptverrohrung, nicht Lieferumfang TROX), Entleerungs- und Entlüftungsmöglichkeit pro Heiz-/Kühlkreislauf, Anordnung raumseitig rechts. Wir empfehlen eine Anbindung an das bauseitige Rohrnetz mit flexiblen Schläuchen (nicht im Lieferumfang TROX), um den Wärmeübertrager zur Reinigung leicht entnehmen zu können
  • Übergabepunkte sind die handfest vormontierten Regelungskomponenten
    • Im Rücklauf Ventile: Übergabe mit G ½"-Außengewinde flach dichtend
    • Im Vorlauf Rücklaufverschraubungen: Übergabe mit G ½"-Außengewinde flach dichtend
  • Leicht reinigbare Kondensatwanne aus verzinktem Stahlblech, pulverbeschichtet RAL 9005, mit Kondensatableitung Ø 12 × 1 [mm]
  • Außenluftfilter als Plisseefilter Klasse ePM1 (Feinstaubfilter):
    • Filterklasse nach ISO16890: ISO ePM1 65 %
    • Eurovent-zertifiziert
    • ePM1-Filtermedien aus hochwertigem, nassfestem Glasfaserpapier sind in enge Falten gelegt, die Abstandshalter sind aus thermoplastischen Schmelzkleber und sorgen für einen gleichmäßigen Abstand (4 mm) der Falten zueinander
    • Der Rahmen ist aus feuchtigkeitsbeständigem Vlies mit Auszuglaschen und darf den Durchströmquerschnitt nicht verkleinern (Filtergröße = Durchströmquerschnitt)
    • Filterfläche ≥ 1,8 m²
  • Abluftfilter (Grobstaubfilter) als Flachfiltermedium, Filterklasse nach ISO16890: ISO coarse 50 %
  • Einfache Revision der Filter und des Wärmerückgewinners aufgrund der kompakten Anordnung der Bauteile hinter dem Servicedeckel. Der Servicedeckel lässt sich werkzeugfrei über bedienerfreundliche Vierteldrehverschlüsse öffnen. Die Zugänglichkeit darf von der bauseitigen Brüstungsverkleidung nicht eingeschränkt werden
  • Geschlossenporige Dichtbänder zur Abdichtung und Anpassung an die bauseitige Verkleidung nicht Lieferumfang TROX
  • Die bauseitige Brüstungsverkleidung erhält Perforationen in festzulegenden Bereichen des Wärmeübertragers für die Zulufteinbringung in den Raum und darf auf der Gerätevorderseite Wartungsarbeiten sowie Gerätemontage/-Demontage nicht einschränken. Im oberen Bereich der Verkleidung muss auch eine Öffnung zur Abluftansaugung angeordnet werden
  • Lichter Abstand Vorderkante Gerät zur Innenkante der Brüstungsverkleidung sollte ca. 30 mm nicht unterschreiten
  • Die Gerätefront muss nach Demontage der bauseitigen Verkleidung komplett zugänglich sein


Geräte Abmessungen und Gewicht:



Breite: ca. 604 mm



Höhe: ca. 2200 mm (ohne Befestigungswinkel oben, ohne Höhenverstellung)



Tiefe: ca. 260 mm (ohne komprimierbare Fassadenandichtung an der Geräterückseite)



Gewicht: ca. 70 kg




Ausführung



Technische Daten


RA-V-ZAB/SEKHE4KR / 604 × 2200 × 260 / C3 / MAT / MR / C / Z / A / HVR0.4 / KVR0.25
||||||||||||||||||
123456789101112131415161718
1 Serie
RA-V-ZAB/SEK
 vertikales dezentrales Lüftungsgerät X-CUBE/ROOMAIR-V-ZAB/SEK-HE

2 Variante
HE hoher Wärmerückgewinnungsgrad

3 Wärmeübertrager
2
2-Leiter
4 4-Leiter

4 Ausführung
KR mit Kondensatablauf, Abluft raumseitig rechts
KL mit Kondensatablauf, Abluft raumseitig links 

5 Abmessungen [mm]
Breite × Höhe × Tiefe
604 × 2200 × 260

6 Regelung
OR
 ohne Regelung
C3 mit FSL-CONTROL III

7 Regelungsfunktion
MA
Master
SL Slave

8 Echtzeituhr
Nur mit Regelungsfunktion MA
Keine Eintragung: ohne Echtzeituhr
T mit Echtzeituhr

9 Schnittstelle
Keine Eintragung: ohne Schnittstelle
MT mit Modbus TCP
MR mit Modbus RTU (nur mit Regelungsfunktion MA)
BI mit BACnet IP
BM mit BACnet MS/TP (nur mit Regelungsfunktion MA) 

10 Luftqualitätsfühler
Nur mit Regelungsfunktion MA
Keine Eintragung: ohne Luftqualitätsfühler
C mit CO2-Sensor
V mit VOC-Sensor

11 Zulufttemperaturfühler
Z mit Zulufttemperaturfühler

12 Außenlufttemperaturfühler
Nur mit Regelungsfunktion MA
Keine Eintragung: ohne Außenlufttemperaturfühler
A mit Außenlufttemperaturfühler

13 Heizventil
HV
 mit Heizventil

14 Rücklaufverschraubung Heizkreis
R
 mit Rücklaufverschraubung

15 kVS-Wert Heizventil
0,25 
(Durchgangsventil) 
0,40 (Durchgangsventil) 
0,63 (Durchgangsventil) 
1,00 (Durchgangsventil) 
F0,50 (druckunabhängiges Regelventil)

16 Kühlventil
Nur mit Wärmeübertrager 4
KV mit Kühlventil

17 Rücklaufverschraubung Kühlkreis
R
 mit Rücklaufverschraubung

18 kVS-Wert Kühlventil
0,25
(Durchgangsventil) 
0,40 (Durchgangsventil) 
0,63 (Durchgangsventil) 
1,00 (Durchgangsventil) 
F0,50 (druckunabhängiges Regelventil)


Bestellbeispiel: RA-V-ZAB/SEK-HE-4-KR/604×2200×260/C3/MA-T/MR/C/Z/A/HV-R-F0.40/KV-R-F0.25

Serievertikales dezentrales Lüftungsgerät X-CUBE/ROOMAIR-V-ZAB/SEK-HE
Variantehoher Wärmerückgewinnungsgrad
Wärmeübertrager4-Leiter
AusführungAbluftöffnung rechts
Abmessungen [mm]Breite 604, Höhe 2200, Tiefe 260
Regelungmit FSL-CONTROL III
RegelungsfunktionMaster
Echtzeituhrmit Echtzeituhr
Schnittstellemit Modbus RTU 
Luftqualitätsfühlermit CO2-Sensor
Zulufttemperaturfühlermit Zulufttemperaturfühler
Außenlufttemperaturfühlermit Außenlufttemperaturfühler
Heizventilmit Heizventil
Rücklaufverschraubung Heizkreismit Rücklaufverschraubung
kVS-Wert Heizventil0,40 (Durchgangsventil)
Kühlventilmit Kühlventil
Rücklaufverschraubung Kühlkreismit Rücklaufverschraubung
kVS-Wert Kühlventil0,25 (Durchgangsventil)

Varianten, Abmessungen, Produktdetails

  • VARIANTEN
  • ABMESSUNGEN
  • PRODUKTDETAILS

Anwendung

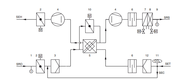
Dezentrale Zu- und Abluftgeräte be- und entlüften den Raum und decken die Kühl- und Heizlast gemäß den technischen Daten ab. Die Außenluft wird von einem EC‑Radialventilator angesaugt und strömt durch die motorisierte Absperrklappe sowie durch den Außenluftfilter. Danach strömt die Außenluft durch den Kreuz-Gegenstrom-Wärmerückgewinner, der in energetisch sinnvollen Betriebssituationen und zum Geräteschutz umgangen werden kann. Bevor die Zuluft quellluftartig in den Raum strömt, wird sie bei Bedarf im Wärmeübertrager noch geheizt oder gekühlt. Die Abluft strömt durch den Abluftfilter, bevor sie durch den Kreuz-Gegenstrom-Wärmerückgewinner, den Abluftventilator und die motorisierte Absperrklappe als Fortluft ins Freie gefördert wird. Bei ausreichend guter Raumluftqualität schaltet die FSL‑CONTROL III Regelung durch Schließen der Außenluftklappen in den energetisch sinnvollen Sekundärluftbetrieb. Die Regelung vergleicht dabei die Sollwerte der Raumluftqualität mit den am CO2‑Sensor gemessenen Istwerten und schaltet automatisch zwischen Außenluft- und Sekundärluftbetrieb um. Zum Brandschutz, Frostschutz und zur Vermeidung von Zugluft werden bei Stromausfall die Außenluft- und Fortluftklappe zugefahren. Hierzu besitzen die Stellantriebe einen Energiespeicher.
Die Zuluft strömt mit mittlerer Geschwindigkeit von 0,5 – 0,8 m/s fassadennah in den Raum. Durch die Induktionswirkung werden die Geschwindigkeiten bereits kurz nach dem Lufteintritt in den Raum abgebaut. Dadurch breitet sich die Zuluft im Kühlfall über die gesamte Bodenfläche quellluftartig aus. An Wärmequellen wie Menschen und Geräten bildet sich durch natürliche Konvektion eine Auftriebsströmung, so dass primär in diesen Bereichen die Luft ausgetauscht wird.



 

,

Anwendung

Dezentrale Zu- und Abluftgeräte be- und entlüften den Raum und decken die Kühl- und Heizlast gemäß den technischen Daten ab. Die Außenluft wird von einem EC‑Radialventilator angesaugt und strömt durch die motorisierte Absperrklappe sowie durch den Außenluftfilter. Danach strömt die Außenluft durch den Kreuz-Gegenstrom-Wärmerückgewinner, der in energetisch sinnvollen Betriebssituationen und zum Geräteschutz umgangen werden kann. Bevor die Zuluft quellluftartig in den Raum strömt, wird sie bei Bedarf im Wärmeübertrager noch geheizt oder gekühlt. Die Abluft strömt durch den Abluftfilter, bevor sie durch den Kreuz-Gegenstrom-Wärmerückgewinner, den Abluftventilator und die motorisierte Absperrklappe als Fortluft ins Freie gefördert wird. Bei ausreichend guter Raumluftqualität schaltet die FSL‑CONTROL III Regelung durch Schließen der Außenluftklappen in den energetisch sinnvollen Sekundärluftbetrieb. Die Regelung vergleicht dabei die Sollwerte der Raumluftqualität mit den am CO2‑Sensor gemessenen Istwerten und schaltet automatisch zwischen Außenluft- und Sekundärluftbetrieb um. Zum Brandschutz, Frostschutz und zur Vermeidung von Zugluft werden bei Stromausfall die Außenluft- und Fortluftklappe zugefahren. Hierzu besitzen die Stellantriebe einen Energiespeicher.
Die Zuluft strömt mit mittlerer Geschwindigkeit von 0,5 – 0,8 m/s fassadennah in den Raum. Durch die Induktionswirkung werden die Geschwindigkeiten bereits kurz nach dem Lufteintritt in den Raum abgebaut. Dadurch breitet sich die Zuluft im Kühlfall über die gesamte Bodenfläche quellluftartig aus. An Wärmequellen wie Menschen und Geräten bildet sich durch natürliche Konvektion eine Auftriebsströmung, so dass primär in diesen Bereichen die Luft ausgetauscht wird.



 

 


Einbau und Inbetriebnahme


  • Aufstellung auf dem Fußboden vor der Außenwand
  • Ausgleich von Rohbautoleranzen über die 4 Justierfüße (+40 mm)
  • Befestigungswinkel an der Geräteoberseite zur Verschraubung mit dem Baukörper
  • Unterhalb des Wärmeübertragers 2 Löcher zur Befestigung mit dem Baukörper
  • Die Außenluftansaugung bzw. Fortluftausblasung erfolgt über 2 Fassadenöffnungen. Die Fassadenöffnungen müssen vom Kunden fachgerecht bereitgestellt werden und haben idealerweise ein Gefälle nach außen

  • Freier Querschnitt der Lüftungsöffnungen 0,015 m² je Öffnung (Außen- und Fortluft) und 0,05 m² je Öffnung (Zu- und Abluft)

  • Witterungsschutz der Außen- und Fortluftöffnung erfolgt als kundenseitige Leistung
  • Einbau und Erstellung aller Anschlüsse und Lieferung des Befestigungs-, Verbindungs- und Dichtungsmaterials erfolgen kundenseitig
  • Wasseranschlüsse für Vor- und Rücklauf befinden sich, vom Raum ausgesehen, auf der linken Geräteseite (Ausführung ../KR/..) bzw. rechten Geräteseite (Ausführung ../KL/..)
  • Kundenseitig ist auf die Möglichkeit zur Entleerung und Entlüftung zu achten
  • Elektroanschluss befindet sich, vom Raum aus gesehen, auf der linken Geräteseite (Ausführung ../KR/..) bzw. rechten Geräteseite (Ausführung ../KL/..)
  • Für einen leichten Ausbau des Wärmeübertragers zu Reinigungszwecken empfehlen wir flexible Schläuche zur Anbindung an das bauseitige Rohrnetz
  • Die bauseitige Brüstungsverkleidung darf auf der Gerätevorderseite Wartungsarbeiten und Gerätemontage bzw. -demontage nicht einschränken

DOWNLOADS

Produktinfos

Zertifikate

Betriebsanleitungen

production {"x-frame-options"=>"SAMEORIGIN", "x-xss-protection"=>"1; mode=block", "x-content-type-options"=>"nosniff", "x-download-options"=>"noopen", "x-permitted-cross-domain-policies"=>"none", "referrer-policy"=>"strict-origin-when-cross-origin", "strict-transport-security"=>"max-age=31536000; includeSubDomains", "content-type"=>"text/html; charset=utf-8"}

Seite teilen

Diese Seite weiterempfehlen

Hier haben Sie die Möglichkeit diese Seite als Link weiter zu empfehlen.

Mit Stern (*) markierte Felder sind Pflichtfelder.

Kontakt

Vielen dank für Ihre Nachricht!

Ihre Empfehlung wurde verschickt und sollte jeden Moment beim Empfänger eingehen.

Kontakt

Wir sind für Sie da

Bitte spezifizieren Sie das Thema Ihrer Anfrage und Ihre Kontaktdaten.
Tel.: +49 (0)2845 / 202-0 | Fax: +49 (0)2845/202-265

Mit Stern (*) markierte Felder sind Pflichtfelder.

Kontakt

Vielen Dank für Ihre Nachricht!

Ihre Nachricht in ist unserem Service Center eingegangen und wird bearbeitet.
Unsere Abteilung für Service-Anfragen wird sich in Kürze mit Ihnen in Verbindung setzten.
Für allgemeine Fragen zu Produkten und Services erreichen Sie uns auch unter:
Tel.: +49 (0)2845 / 202-0 | Fax: +49 (0)2845/202-265

Kontakt

Wir sind für Sie da

Bitte spezifizieren Sie das Thema Ihrer Anfrage und Ihre Kontaktdaten.
Tel.: +49 (0)2845 / 202-0 | Fax: +49 (0)2845/202-265

Anhang (max. 10MB)

Mit Stern (*) markierte Felder sind Pflichtfelder.

Kontakt

Vielen Dank für Ihre Nachricht!

Ihre Nachricht in ist unserem Service Center eingegangen und wird bearbeitet.
Unsere Abteilung für Service-Anfragen wird sich in Kürze mit Ihnen in Verbindung setzten.
Für allgemeine Fragen zu Produkten und Services erreichen Sie uns auch unter:
Tel.: +49 (0)2845 / 202-0 | Fax: +49 (0)2845/202-265