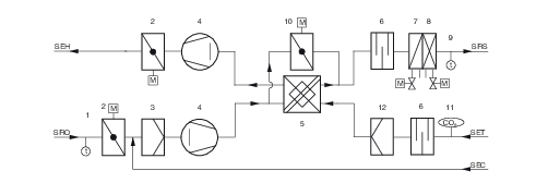
SEH Fortluft Einzelraum
SRO Außenluft Einzelraum
SRS Zuluft Einzelraum
SET Abluft Einzelraum
SEC Sekundärluft Einzelraum
1 Außenlufttemperaturfühler (optional)
2 Absperrklappe mit Stellantrieb (Fortluft und Außenluft)
3 Feinstaubfilter ISO ePM1 für Außenluft
4 EC-Ventilator (Zu- und Abluft)
5 Rekuperativer Kreuz-Gegenstrom-Wärmerückgewinner
6 Schalldämpfer
7 Lufterhitzer
8 Luftkühler (optional)
9 Zulufttemperaturfühler (optional)
10 Bypassklappe mit Stellantrieb (stetig)
11 CO2-Sensor (optional)
12 Abluftfilter ISO Coarse
Funktionsbeschreibung
Dezentrale Zu- und Abluftgeräte be- und entlüften den Raum und decken die Kühl- und Heizlast gemäß den technischen Daten ab. Die Außenluft wird von einem EC-Radialventilator angesaugt und strömt durch die motorisierte Absperrklappe und den Außenluftfilter. Danach strömt die Außenluft durch den Kreuz-Gegenstrom-Wärmerückgewinner, der in energetisch sinnvollen Betriebssituationen und zum Geräteschutz abgeschaltet werden kann. Bevor die Zuluft quellluftartig in den Raum strömt, wird sie bei Bedarf im Wärmeübertrager noch geheizt bzw. gekühlt (optional bei 4-Leiter-Geräten).
Die Abluft strömt durch den Abluftfilter, bevor sie durch den Wärmerückgewinner, den Abluftventilator und die motorisierte Absperrklappe als Fortluft ins Freie gefördert wird. Bei ausreichend guter Raumluftqualität schaltet die Regelung FSL CONTROL III durch Schließen der Außenluftklappen in den energetisch sinnvollen Sekundärluftbetrieb. Die Regelung vergleicht dabei die Sollwerte der Raumluftqualität mit den am CO2-Sensor gemessenen Istwerten und schaltet automatisch zwischen Außenluft- und Sekundärluftbetrieb um. Zum Brandschutz, Frostschutz und zur Vermeidung von Zugluft werden bei Stromausfall die Außenluft- und Fortluftklappe zugefahren. Hierzu besitzen die Stellantriebe einen Energiespeicher.
Die Zuluft strömt mit mittlerer Geschwindigkeit von 0,5 – 0,8 m/s fassadennah in den Raum. Durch die Induktionswirkung werden die Geschwindigkeiten bereits kurz nach dem Lufteintritt in den Raum abgebaut, so dass sich die Zuluft im Kühlbetrieb über die gesamte Bodenfläche quellluftartig ausbreitet. An Wärmequellen wie Menschen und Geräten bildet sich durch natürliche Konvektion eine Auftriebsströmung, so dass primär in diesen Bereichen die Luft ausgetauscht wird.
Breite | 600 mm |
Höhe | 2000 mm |
Tiefe | 408 mm |
Volumenstrom | 150, 200, 240 m³/h (Boost 360 m³/h) |
Schallleistungspegel | 36 – 50 dB(A) |
Wärmerückgewinnungsgrad | 84 % |
maximaler Betriebsdruck wasserseitig | 6 bar |
maximale Betriebstemperatur | 75 °C |
Versorgungsspannung | 1~ 230 V AC, ±10 %, 50/60 Hz |
Gewicht | 90 kg |
Nennvolumenstrom | 240 m³/h |
Anschlussleistung | 592 VA |
| Zuluftvolumenstrom | m³/h | 150 | 200 | 240 | 360 |
| Gesamtheizleistung | W | 2510 | 3370 | 3940 | 5260 |
| Raumheizleistung | W | 695 | 949 | 1031 | 908 |
| Lufttemperatur im Gerät | °C | -12 | -12 | -12 | -12 |
| Zulufttemperatur | °C | 32,3 | 32,6 | 31,4 | 26,7 |
| Kondensatmenge | g/h | 0 | 0 | 0 | 0 |
| Warmwassermenge | l/h | 80 | 135 | 165 | 200 |
| Wassereintrittstemperatur | °C | 50 | 50 | 50 | 50 |
| Wasseraustrittstemperatur | °C | 22,7 | 28,3 | 29,2 | 27,1 |
| Druckverlust wasserseitig | kPa | 3,1 | 7,8 | 11,1 | 15,7 |
| Schallleistungspegel Lw,a | dB(A) | 36 | 40 | 43 | 50 |
| Schalldruckpegel inklusive 8 dB Raumdämpfung | dB(A) | 28 | 32 | 35 | 42 |
| Wirkleistung Pel | W | 22 | 32 | 40 | 90 |
| Zuluftvolumenstrom | m³/h | 150 | 200 | 240 | 360 |
| Gesamtheizleistung | W | 360 | 540 | 620 | 810 |
| Raumheizleistung | W | 85 | 128 | 99 | -108 |
| Lufttemperatur im Gerät | °C | 15,2 | 14,6 | 14,2 | 13,3 |
| Zulufttemperatur | °C | 21,5 | 21,7 | 21,1 | 19,2 |
| Kondensatmenge | g/h | 570 | 729 | 855 | 1193 |
| Warmwassermenge | l/h | 30 | 120 | 165 | 200 |
| Wassereintrittstemperatur | °C | 50 | 50 | 50 | 50 |
| Wasseraustrittstemperatur | °C | 39,7 | 46,1 | 46,7 | 46,5 |
| Druckverlust wasserseitig | kPa | 0,7 | 8,1 | 14,3 | 20 |
| Schallleistungspegel Lw,a | dB(A) | 36 | 40 | 43 | 50 |
| Schalldruckpegel inklusive 8 dB Raumdämpfung | dB(A) | 28 | 32 | 35 | 42 |
| Wirkleistung Pel | W | 22 | 32 | 40 | 90 |
| Zuluftvolumenstrom | m³/h | 150 | 200 | 240 | 360 |
| Kühlbetrieb | |||||
| Gesamtkühlleistung | W | 440 | 570 | 660 | 880 |
| Raumkühlleistung | W | 384 | 493 | 561 | 715 |
| Lufttemperatur im Gerät | °C | 26,9 | 27 | 27,1 | 27,3 |
| Zulufttemperatur | °C | 18 | 18,3 | 18,7 | 19,8 |
| Kondensat | g/h | 0 | 0 | 0 | 0 |
| Kaltwassermenge | l/h | 136 | 190 | 200 | 200 |
| Wassereintrittstemperatur | °C | 16 | 16 | 16 | 16 |
| Wasseraustrittstemperatur | °C | 18,8 | 18,6 | 18,8 | 19,8 |
| Druckverlust wasserseitig | kPa | 9,1 | 16,4 | 17,9 | 17,9 |
| Heizbetrieb | |||||
| Gesamtheizleistung | W | 1100 | 1600 | 1910 | 2580 |
| Raumheizleistung | W | 825 | 1183 | 1383 | 1654 |
| Lufttemperatur im Gerät | °C | 15,2 | 14,6 | 14,2 | 13,3 |
| Zulufttemperatur | °C | 34,6 | 35,7 | 35,3 | 32,2 |
| Kondensatmenge | g/h | 570 | 729 | 855 | 1193 |
| Warmwassermenge | l/h | 60 | 120 | 165 | 200 |
| Wassereintrittstemperatur | °C | 50 | 50 | 50 | 50 |
| Wasseraustrittstemperatur | °C | 34 | 38,4 | 39,9 | 38,8 |
| Druckverlust wasserseitig | kPa | 1,3 | 4,3 | 7,6 | 10,7 |
| Schallleistungspegel Lw,a | dB(A) | 36 | 40 | 43 | 50 |
| Schalldruckpegel inklusive 8 dB Raumdämpfung | dB(A) | 28 | 32 | 35 | 42 |
| Wirkleistung Pel | W | 22 | 32 | 40 | 90 |
Lüftungsgerät mit Zu- und Abluftfunktion, Umschaltmöglichkeit auf Sekundärluftbetrieb (luftqualitätsabhängig), mit Wärmeübertrager und Wärmerückgewinnung (WRG) zum vertikalen Einbau vor der Brüstung
X-CUBE/SCHOOLAIR-V-HE-2/KM/600×2000×408/C3
Brüstungsgeräte für die Montage vertikal an der Fassade
Bitte beachten:
Die beschriebene Brüstungslüftungsgerätevariante ist mit einer im Gerät integrierten Einzelraumregelung für autarken Klassenraumbetrieb ausgestattet. Die gelieferten Regler beinhalten die Parameter der Standardregelung für einen Betrieb gemäß unserer Regelungsbeschreibung
Schullüftungsgerät – vertikaler Einbau – Mastergerät Brüstungslüftungsgerät TROX X-CUBE/SCHOOLAIR-V-HE mit Zu- und Abluftfunktion, hoher Rückwärmzahl und Umschaltmöglichkeit auf Sekundärluftbetrieb (luftqualitätsabhängig) sowie Heizfunktion zum senkrechtenAnbau an die Fassade:
Regelung FSL-CONTROL III:
Optionale Erweiterungen für FSL-CONTROL III:
Hinweis:
Die optionalen Erweiterungen sind im Lieferprogramm enthalten, müssen aber in der folgenden Beschreibung gegen die Standardkomponenten ausgetauscht werden.
TROX Regelmodul FSL-CONTROL III (Bestellschlüssel ...-C3- MA ...):
4 Betriebsartenübersteuerungen: Boost, Klausur,
Nachtlüftung, LüfterzwangsschaltungRTC Echtzeituhr
Real-Time-Clock (RTC/Echtzeituhr) (Bestellschlüssel ...-T/...):
CO2-Sensor
CO2-Sensor (Bestellschlüssel .../C/...):
Zulufttemperaturfühler
Zulufttemperaturfühler (Bestellschlüssel .../Z/...):
Außenlufttemperaturfühler (Bestellschlüssel .../A/...):
Wasserseitige Komponenten
Wasserseitige Komponenten (Bestellschlüssel …/HV-R-…):
Optionales Regelungszubehör
Optionale Ausstattungsmöglichkeiten zur Komfortsteigerung der Regelung FSL-CONTROL III: TROX Raumbediengeräte für FSL-CONTROL III Je Raum wird mindestens ein Raumtemperatursignal benötigt. Es stehen von TROX diverse Varianten an Raumbediengeräten zur Verfügung, wahlweise mit oder ohne Stufenschaltung. Zusätzlich bieten wir einen Raumtemperaturfühler RTF ohne Bedienelemente an. Alternative bauseitige Raumbediengeräte müssen über eine Buskommunikation aufgeschaltet werden.
Digitale Raumbediengeräte für Aufputzmontage
Für die Bedienung und Einstellung der Lüftungsgeräte. Digitale Raumbediengeräte für Aufputzmontage: Für die Bedienung und Einstellung der Lüftungsgeräte, Typ Schneider
TM172DCLWT:
Raumbediengeräte mit Stufenschalter für Aufputzmontage
Raumbediengerät mit Stufenschaltung, Typ Thermokon, Aufputzmontage:
Raumbediengeräte ohne Stufenschalter für Aufputzmontage
Raumbediengerät ohne Stufenschalter, Typ Thermokon, Aufputzmontage:
Raumtemperaturfühler für Aufputzmontage
Raumtemperaturfühler TROX RTF, Aufputzmontage:
Raumbediengeräte ohne Stufenschalter für Unterputzmontage
Raumbediengerät ohne Stufenschalter, Typ Thermokon, Unterputzmontage, Schalterprogramm Berker S.1 polarweiß:
Raumbediengerät ohne Stufenschalter, Typ Thermokon, Unterputzmontage, Schalterprogramm Berker Q.3, weiß:
Weitere Schalterprogramme auf Anfrage.
Raumbediengeräte ohne Stufenschalter und ohne Sollwertsteller für Unterputzmontage
Raumbediengerät ohne Stufenschalter und ohne Sollwertsteller, Typ Thermokon, Unterputzmontage, Schalterprogramm Gira E2:
Weitere Schalterprogramme auf Anfrage.
Elektromotorischer Ventilstellantrieb
Als Alternative zum standardmäßig installierten thermoelektrischen Stellantrieb:
Druckunabhängiges Regelventil
Als Alternative zum standardmäßig installierten
Durchgangskleinventil:
Schnittstelle zur Integration in eine bauseitige MBE/GA
Modbus TCP-Schnittstelle inklusive Webserver (Bestellschlüssel .../MT/...)
Zur Komfortsteigerung empfehlen wir die Integration in eine bauseitige MBE/GA oder die Visualisierung mit X-TAIRMINAL. FSL-CONTROL III bietet die Möglichkeit, via Modbus TCPProtokoll in eine bauseitige MBE/GA integriert zu werden. Zusätzlich inklusive Webserver zur vereinfachten Konfiguration, Inbetriebnahme und Fernüberwachung des Gerätes. Die MBE/ GA ist nicht im Lieferumfang TROX enthalten, hier sind lediglich die zuvor aufgeführten Schnittstellen verfügbar.
BACnet IP-Schnittstelle inklusive Webserver (Bestellschlüssel .../ BI/...) Zur Komfortsteigerung empfehlen wir die Integration in eine bauseitige MBE/GA. FSL-CONTROL III bietet die Möglichkeit, via BACnet-IP-Protokoll in eine bauseitige MBE/GA integriert zu werden. Zusätzlich inklusive Webserver zur vereinfachten Konfiguration, Inbetriebnahme und Fernüberwachung des Gerätes. Die MBE/GA ist nicht im Lieferumfang TROX enthalten, hier sind lediglich die zuvor aufgeführten Schnittstellen verfügbar.
Modbus RTU (Bestellschlüssel .../MR/...) Zur Komfortsteigerung empfehlen wir die Integration in eine bauseitige MBE/GA. FSL-CONTROL III bietet die Möglichkeit, via Modbus RTU in eine bauseitige MBE/GA integriert zu werden. Die MBE/GA ist nicht im Lieferumfang TROX enthalten, hier sind lediglich die zuvor aufgeführten Schnittstellen verfügbar.
Zur Komfortsteigerung empfehlen wir die Integration in eine bauseitige MBE/GA. FSL-CONTROL III bietet die Möglichkeit, via BACnet MS/TP in eine bauseitige MBE/GA integriert zu werden. Die MBE/GA ist nicht im Lieferumfang TROX enthalten, hier sind lediglich die zuvor aufgeführten Schnittstellen verfügbar.
Ausführung als SLAVEGERÄT
Baugleich zum MASTERGERÄT, wie zuvor beschrieben, jedoch mit folgenden Abweichungen:
Ersatzfilterset passend zur Geräteausführung
Inbetriebnahme der dezentralen Lüftungsgeräte
Inbetriebnahme/Parametrisierung der dezentralen Lüftungsgeräte ohne Integration in eine bauseitige MBE/GA
Inbetriebnahme/Parametrisierung der dezentralen Lüftungsgeräte mit Integration in eine bauseitige MBE/GA
Einweisung in Bedienung und Wartung
| SCHOOLAIR-V | – | HE | – | 4 | / | K | / | KM | / | 600 × 2000 × 408 | / | C3 | – | MA | / | T | / | MR | / | C | / | Z | / | A | – | HV | – | R | / | 0,40 | / | KV | – | R – 0,40 |
| | | | | | | | | | | | | | | | | | | | | | | | | | | | | | | | | | | | | | |||||||||||||||||
| 1 | 2 | 3 | 4 | 5 | 6 | 7 | 8 | 9 | 10 | 11 | 12 | 13 | 14 | 15 | 16 | 17 | 18 19 | |||||||||||||||||
1 Serie
SA-V vertikales dezentrales Lüftungsgerät X-CUBE/
SCHOOLAIR-V
2 Variante
HE hoher Wärmerückgewinnungsgrad
3 Wärmeübertrager
2 2-Leiter
4 4-Leiter
4 Wärmeübertragerausführung
Ausführung angeben (technische Auslegung mit TROX EPF
oder TROX CONFIGURATOR)
5 Ausführung
KM mit Kondensatablauf
6 Nenngröße [mm]
Breite × Höhe × Tiefe
600 × 2000 × 408
7 Regelung
OR ohne Regelung
C3 mit FSL-CONTROL III
8 Regelungsfunktion
MA Master
SL Slave
9 Echtzeituhr
Nur mit Regelungsfunktion MA
Keine Eintragung: ohne Echtzeituhr
T mit Echtzeituhr
10 Schnittstelle
Keine Eintragung: ohne Schnittstelle
MT mit Modbus TCP
MR mit Modbus RTU (nur mit Regelungsfunktion MA)
BI mit BACnet IP
BM mit BACnet MS/TP (nur mit Regelungsfunktion MA)
11 Luftqualitätsfühler
Nur mit Regelungsfunktion MA
Keine Eintragung: ohne Luftqualitätsfühler
C mit CO2-Sensor
V mit VOC-Sensor
12 Zulufttemperaturfühler
Z mit Zulufttemperaturfühler
13 Außenlufttemperaturfühler
Nur mit Regelungsfunktion MA
Keine Eintragung: ohne Außenlufttemperaturfühler
A mit Außenlufttemperaturfühler
14 Heizventil
Nur mit Wärmeübertrager 2 oder 4
HV mit thermoelektrischem Antrieb
HVE mit elektromotorischem Antrieb
15 Rücklaufverschraubung Heizkreis
Nur mit Wärmeübertrager 2 oder 4
R mit Rücklaufverschraubung
16 Kvs-Wert Heizventil
Nur mit Wärmeübertrager 2 oder 4
0,25 (Durchgangsventil)
0,40 (Durchgangsventil)
0,63 (Durchgangsventil)
1,00 (Durchgangsventil)
F0,50 (druckunabhängiges Regelventil)
17 Kühlventil
Nur mit Wärmeübertrager 4
KV mit thermoelektrischem Antrieb
KVE mit elektromotorischem Antrieb
18 Rücklaufverschraubung Kühlkreis
Nur mit Wärmeübertrager 4
R mit Rücklaufverschraubung
19 Kvs-Wert Kühlventil
Nur mit Wärmeübertrager 4
0,25 (Durchgangsventil)
0,40 (Durchgangsventil)
0,63 (Durchgangsventil)
1,00 (Durchgangsventil)
F0,50 (druckunabhängiges Regelventil)
Einbau und Inbetriebnahme
Seite teilen
Diese Seite weiterempfehlen
Hier haben Sie die Möglichkeit diese Seite als Link weiter zu empfehlen.
Kontakt
Vielen dank für Ihre Nachricht!
Ihre Empfehlung wurde verschickt und sollte jeden Moment beim Empfänger eingehen.
Kontakt
Wir sind für Sie da
Bitte spezifizieren Sie das Thema Ihrer Anfrage und Ihre Kontaktdaten.
Tel.: +49 (0)2845 / 202-0 | Fax: +49 (0)2845/202-265
Kontakt
Vielen Dank für Ihre Nachricht!
Ihre Nachricht in ist unserem Service Center eingegangen und wird bearbeitet.
Unsere Abteilung für Service-Anfragen wird sich in Kürze mit Ihnen in Verbindung setzten.
Für allgemeine Fragen zu Produkten und Services erreichen Sie uns auch unter:
Tel.: +49 (0)2845 / 202-0 | Fax: +49 (0)2845/202-265
Kontakt
Wir sind für Sie da
Bitte spezifizieren Sie das Thema Ihrer Anfrage und Ihre Kontaktdaten.
Tel.: +49 (0)2845 / 202-0 | Fax: +49 (0)2845/202-265
Kontakt
Vielen Dank für Ihre Nachricht!
Ihre Nachricht in ist unserem Service Center eingegangen und wird bearbeitet.
Unsere Abteilung für Service-Anfragen wird sich in Kürze mit Ihnen in Verbindung setzten.
Für allgemeine Fragen zu Produkten und Services erreichen Sie uns auch unter:
Tel.: +49 (0)2845 / 202-0 | Fax: +49 (0)2845/202-265